6. (2025·河北邢台一模·3分)小明家的电子式电能表表盘如图所示,此时电能表的读数为
5 546.7
kW·h. 小明关闭家中的其他用电器,只将电饭锅单独接在电路中正常工作3min,电能表指示灯闪烁了64次,则该电饭锅的功率为
800
W;现有一个加热功率为2000W的电磁炉,
可以
(选填“可以”或“不可以”)将该电饭锅和电磁炉同时接入电路中正常工作.

答案:6. 5 546.7 800 可以 解析:由图可知,该电能表的读数为 5 546.7 kW·h;由“1 600 imp/(kW·h)”可知,电饭锅正常工作 3 min 消耗的电能 $W = \frac{64 imp}{1 600 imp/(kW·h)} = 0.04 kW·h$,则该电饭锅的功率$P = \frac{W}{t} = \frac{0.04 kW·h}{\frac{3}{60} h} = 0.8 kW = 800 W$;小明家允许使用的用电器最大总功率$P_{max} = UI = 220 V×20 A = 4 400 W$,电饭锅和电磁炉同时正常工作时电路的总功率$P_{总} = P + P_{炉} = 800 W + 2 000 W = 2 800 W<4 400 W$,因此可以将电饭锅和电磁炉同时接入电路中正常工作.
解析:
5546.7
解:
1. 电能表读数为5546.7 kW·h。
2. 电饭锅消耗电能:$ W = \frac{64\ \mathrm{imp}}{1600\ \mathrm{imp/(kW·h)}} = 0.04\ \mathrm{kW·h} $
工作时间:$ t = 3\ \mathrm{min} = \frac{3}{60}\ \mathrm{h} = 0.05\ \mathrm{h} $
功率:$ P = \frac{W}{t} = \frac{0.04\ \mathrm{kW·h}}{0.05\ \mathrm{h}} = 0.8\ \mathrm{kW} = 800\ \mathrm{W} $
3. 电路最大总功率:$ P_{\mathrm{max}} = UI = 220\ \mathrm{V} × 20\ \mathrm{A} = 4400\ \mathrm{W} $
总功率:$ P_{\mathrm{总}} = 800\ \mathrm{W} + 2000\ \mathrm{W} = 2800\ \mathrm{W} < 4400\ \mathrm{W} $,可以同时工作。
800
可以
7. (2分)如图所示为老师上课时使用的一款便携式无线扩音器,由主机和头戴无线麦克风共同配合使用,下表是该扩音器的部分参数. 当扩音器的主机和头戴无线麦克风都充满电时,下列说法正确的是 (
C
)

A.主机电池储存的电能为7.4J
B.头戴无线麦克风电池储存的电能为5328W·h
C.该扩音器能持续工作的时间为5h
D.该扩音器能持续工作的时间为8h
答案:7. C
解析:
A. 主机电池储存电能:$W_1=U_1I_1t_1=7.4V×2000mA×1h=7.4V×2A×3600s=53280J$,A错误。
B. 头戴无线麦克风电池储存电能:$W_2=U_2I_2t_2=3.7V×600mA×1h=3.7V×0.6A×1h=2.22W·h$,B错误。
C、D. 扩音器总功率:$P=P_1+P_2=1.48W+0.444W=1.924W$,总电能:$W=W_1+W_2=53280J+2.22×3600J=53280J+7992J=61272J$,持续工作时间:$t=\frac{W}{P}=\frac{61272J}{1.924W}\approx31846s\approx8.8h$(注:若按标称容量计算工作时间,主机:$t_1=\frac{2000mAh}{200mA}=10h$,麦克风:$t_2=\frac{600mAh}{120mA}=5h$,扩音器持续工作时间由容量小的决定,为5h),C正确,D错误。
结论:C
8. (2025·新疆·2分)如图所示,电路中电源电压为6V,R₁、R₂均为滑动变阻器. 闭合开关S后,调节滑动变阻器的滑片,使电路的总功率为5.4W时,发现无论怎样改变滑动变阻器的阻值,两个滑动变阻器接入电路中的电阻之差的最大值为10Ω. 则R₁、R₂两个滑动变阻器的最大阻值可能为 (
D
)

A.15Ω 30Ω
B.20Ω 30Ω
C.20Ω 25Ω
D.15Ω 20Ω
答案:8. D
9. 有两个电路元件A和B,通过元件的电流与其两端电压的关系如图甲所示. 把它们接在电路中,如图乙所示,闭合开关S,这时电压表的示数为2V,则下列说法错误的是 (
C
)

A.元件B两端的电压增大时,其电阻减小
B.图乙电路中电流10s做的功为6J
C.若将元件A和B并联接入电路,A的电流为0.4A时,电源电压为4V
D.若将元件A和B并联接入电路,元件A和B的电流相等时,电路的总功率为2.5W
答案:9. C 解析:由图甲与欧姆定律可知,元件 B 两端的电压增大时,其电阻减小,故 A 正确;由图乙可知,两元件串联,电压表测元件 B 两端电压,当电压表的示数为 2 V 时,由图甲可知,通过元件 B 的电流为 0.2 A,此时元件 A 两端电压为 1 V,则电源电压$U = 1 V + 2 V = 3 V$,图乙电路中电流 10 s 做的功$W = UIt = 3 V×0.2 A×10 s = 6 J$,故 B 正确;若将元件 A 和 B 并联接入电路,元件 A 的电流为 0.4 A 时,由图甲可知,元件 A 两端电压为 2 V,则电源电压为 2 V,故 C 错误;若将元件 A 和 B 并联接入电路,元件 A 和 B 的电流相等时,由图甲可知,元件 A 和 B 两端电压均为 2.5 V,通过的电流均为 0.5 A,则电源电压$U' = 2.5 V$,干路电流$I' = 0.5 A + 0.5 A = 1 A$,则电路的总功率$P = U'I' = 2.5 V×1 A = 2.5 W$,故 D 正确.
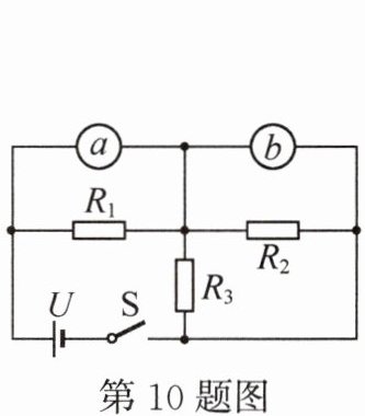
10. (2025·四川南充·2分)如图所示,当a处接电流表,b处接电压表,闭合开关S,电路总功率为P₁;当a、b两电表互换位置后,再闭合开关S,电路总功率为P₂. 已知:U=6V,R₁=20Ω,R₂:R₃=1:3,P₁:P₂=4:3,则R₂的阻值为
20
Ω;若将电源与b处电流表位置互换,其他均不变,再闭合开关S,电路总功率为
4.2
W.

答案:10. 20 4.2