1. (2025·山东烟台)电能是现代社会生活的重要资源,每个人都应该有节约用电的意识. 下列用电器正常工作1小时所消耗的电能最接近1度电的是(
C
)
A.台灯
B.智能手机
C.家用空调
D.笔记本电脑
答案:1. C
2. 小明发现家里的白炽灯突然变亮,主要原因可能是白炽灯的(
B
)
A.额定电压变大
B.实际电压变大
C.额定功率变小
D.实际电压变小
答案:2. B
易错警示
用电器正常工作时的电压叫作额定电压,用电器在额定电压下工作时的电功率叫作额定功率。对于同一个用电器来说,它的额定电压和额定功率是固定值。
3. (2025·四川德阳)图甲为通过灯泡L和定阻电阻R的电流与其两端电压关系的图像. 把它们按图乙接入电路,闭合开关S,电流表示数为0.2 A,下列选项正确的是(
D
)

A.电源电压为1.5 V
B.定值电阻R的阻值为10 Ω
C.通过灯泡L的电流为0.2 A
D.灯泡L的实际功率为0.9 W
答案:3. D
解析:
解:由图乙知,R与L并联,电流表测R支路电流。
1. 电流表示数为0.2A,即通过R的电流$I_{R}=0.2A$。
2. 由图甲,R为定值电阻,其$I-U$图像为过原点的直线。当$I_{R}=0.2A$时,对应的电压$U_{R}=2V$。
3. 并联电路各支路电压相等,电源电压$U=U_{R}=U_{L}=2V$,故A错误。
4. 定值电阻$R=\frac{U_{R}}{I_{R}}=\frac{2V}{0.2A}=10\Omega$,B正确。
5. 灯泡L两端电压$U_{L}=2V$,由图甲,此时通过L的电流$I_{L}=0.25A$,故C错误。
6. 灯泡L的实际功率$P_{L}=U_{L}I_{L}=2V×0.25A=0.5W$,故D错误。
答案:B
4. (教材P9例题变式)智能照明灯已进入千家万户,家用LED吸顶灯是采用LED作为光源的一种灯,与一般的日光灯、节能灯相比,吸顶灯节能环保,同等亮度耗电量比普通节能灯要节约80%,则12 W的LED灯的亮度与
60
W的节能灯亮度相当.
答案:4. 60
解析:
设与12W的LED灯亮度相当的节能灯功率为$x$W。
因为LED灯比普通节能灯节约80%的耗电量,所以LED灯的耗电量是节能灯的$(1 - 80\%)$,即$20\%$。
可列方程:$20\%x = 12$
$0.2x = 12$
$x = 12÷0.2$
$x = 60$
60
5. (2025·辽宁丹东一模)小明一家假期外出旅游,家中只有一个网络摄像头和一个路由器在工作,其实际功率分别为5 W和15 W. 出发和回家时,电能表示数如图所示,这段时间内小明家消耗电能
4.8
kW·h,小明一家外出
240
h.(电路其他元件损耗电能不计)

]
答案:5. 4.8 240
6. 新趋势
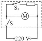
项目式探究 在项目化学习中,科技小组的同学给旧电吹风加装两根塑料管改装成湿鞋烘干器,如图1所示,可实现冷风吹干和热风烘干两种功能. 其内部电路是由一个发热电阻($\mathrm{——}□\mathrm{——}$)、一个电动机($\mathrm{——M——}$)和两个开关组成的并联电路. 发热电阻正常工作时功率为440 W,且不能单独工作出现“干烧”现象. 请你帮助他们解决下列问题.


(1)在图2虚线框内画出烘干器内部电路图.
(2)使用时发现温度过高,存在安全隐患,想要把发热电阻的功率减小到原来的一半,需要购买一个
220
Ω的电阻替换原发热电阻.
]
答案:6. (1)如图所示 (2)220
解析:(1)两个元件并联,可以吹冷风与暖风;不能“干烧”,则发热电阻需要一个单独的开关,而电动机不需要额外的开关,干路上再放一个总开关即可。(2)若发热电阻功率减小到一半,则其功率$P_{现}=\frac{1}{2}P_{原}=\frac{1}{2}×440W = 220W$,则发热电阻阻值$R_{现}=\frac{U^{2}}{P_{现}}=\frac{(220V)^{2}}{220W}=220\Omega$。
7. 小明在中国科技馆看到“1度电的意义”展品后,绘制了1度电可供他家中的一些额定电压相同的用电器分别在额定功率下持续工作的时间图,如图所示. 关于图中家用电器的比较,下列说法正确的是(
C
)

A.节能灯正常工作的电压最大
B.浴霸正常工作的电流最小
C.电风扇的额定功率比白炽灯的额定功率大
D.节能灯正常工作的电流比白炽灯正常工作的电流大
答案:7. C
解析:
A. 各用电器额定电压相同,A错误。
B. 由$P = \frac{W}{t}$,$W=1kW· h$,浴霸工作时间最短,$P_{浴霸}$最大,由$I = \frac{P}{U}$,$I_{浴霸}$最大,B错误。
C. $t_{电风扇}=19h$,$t_{白炽灯}=25h$,$P_{电风扇}=\frac{1}{19}kW$,$P_{白炽灯}=\frac{1}{25}kW$,$P_{电风扇}>P_{白炽灯}$,C正确。
D. $t_{节能灯}=50h$,$t_{白炽灯}=25h$,$P_{节能灯}=\frac{1}{50}kW$,$P_{白炽灯}=\frac{1}{25}kW$,由$I = \frac{P}{U}$,$I_{节能灯}<I_{白炽灯}$,D错误。
C