8. (2025·北京一模)如图所示电路中,电源电压保持不变,R为定值电阻,当在a、b两点间接入一个“6 V 0.4 A”的小灯泡时,恰好正常发光;若换一个“6 V 0.5 A”的小灯泡,则这个小灯泡(
A
)

A.比正常发光暗些
B.灯丝将会烧断
C.仍能正常发光
D.比正常发光亮些
答案:8. A
解析:
解:由题意知,电源电压保持不变,R为定值电阻。
当接入“6 V 0.4 A”的小灯泡时,其正常发光,此时灯泡两端电压$U_{L1}=6\space V$,通过的电流$I_{1}=0.4\space A$。根据串联电路电压特点,电源电压$U = U_{R1} + U_{L1}$,其中$U_{R1}=I_{1}R = 0.4R$,所以$U=0.4R + 6$。
“6 V 0.4 A”灯泡的电阻$R_{L1}=\frac{U_{L1}}{I_{1}}=\frac{6}{0.4}=15\space\Omega$;“6 V 0.5 A”灯泡的电阻$R_{L2}=\frac{U_{L2}}{I_{2}}=\frac{6}{0.5}=12\space\Omega$。
换接“6 V 0.5 A”的灯泡后,电路总电阻$R_{总}=R + R_{L2}=R + 12$,此时电路电流$I=\frac{U}{R_{总}}=\frac{0.4R + 6}{R + 12}$。
假设$I = 0.5\space A$,则$\frac{0.4R + 6}{R + 12}=0.5$,解得$R = 0\space\Omega$,不符合实际,故$I<0.5\space A$。
此时灯泡实际电压$U_{实}=IR_{L2}<0.5×12 = 6\space V$,实际功率$P_{实}=U_{实}I<6×0.5 = 3\space W$(额定功率),所以灯泡比正常发光暗些。
答案:A
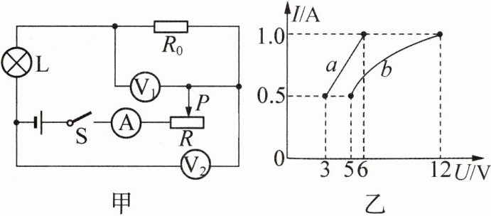
9. 如图甲所示电路,电源电压恒定,$R_{0}$为定值电阻. 闭合开关S后,调节滑动变阻器的滑片P,从最右端滑至最左端时,小灯泡L恰好正常发光. 电流表示数与两电压表示数的关系图像如图乙所示. 下列说法正确的是(
D
)

A.该电路为并联电路
B.图乙中b曲线表示电流表示数与电压表$\mathrm{V}_{1}$示数的关系
C.由图乙可知,小灯泡的额定功率为2.5 W
D.当滑片在最右端时,小灯泡的实际功率为1 W
答案:9. D 解析:由图甲可知,小灯泡L、定值电阻$R_0$与滑动变阻器R串联,电压表$V_1$测$R_0$两端的电压,电压表$V_2$测L与$R_0$两端的总电压,电流表测电路中的电流,故A错误;电压表$V_2$的示数大于电压表$V_1$的示数,所以图乙中a直线表示电流表示数与电压表$V_1$示数的关系,则b曲线表示电流表示数与电压表$V_2$示数的关系,故B错误;当滑片位于最左端时,滑动变阻器接入电路的阻值为零,此时L和$R_0$串联,电路中电流最大,由图乙可知,最大电流$I_{max}=1.0A$,此时$V_1$的示数即$U_0 = 6V$,$V_2$的示数即电源电压$U = 12V$,则小灯泡两端的电压$U_L = U - U_0 = 12V - 6V = 6V$,小灯泡恰好正常发光,则小灯泡的额定功率$P_L = U_LI_{max}=6V×1.0A = 6W$,故C错误;当滑片位于最右端时,L、$R_0$、R串联,此时电路的总电阻最大,电路中电流最小,由图乙可知,最小电流$I_{min}=0.5A$,$V_1$的示数$U_0' = 3V$,$V_2$的示数$U_{V2}=5V$,此时L两端的电压$U_L' = U_{V2}-U_0' = 5V - 3V = 2V$,则小灯泡的实际功率$P_L' = U_L'I_{min}=2V×0.5A = 1W$,故D正确。
10. 亮点原创 2025年,以DeepSeek为代表的人工智能大模型加速推动数字智能技术与各行各业的融合. 随着AI大模型的不断优化,中国人工智能加速融入人们的生产和生活中,很多年轻人将智能炒菜机器人引进了家庭. 如图甲为某品牌智能炒菜机器人的部分铭牌信息,小亮将该机器人单独接入家庭电路正常炒菜,若5 min后炒菜结束,则此过程消耗的电能为
$5.4×10^{5}$
J;用电高峰期,小亮家的实际电压只有198 V,则炒菜过程中如图乙所示的电能表的
指
示灯闪烁了
243
次.(假设炒菜机器人的电阻不变)

]
答案:10. $5.4×10^{5}$ 243 解析:由图可知,智能炒菜机器人的额定功率$P_{额}=1800W$,若5min后炒菜结束,则炒菜过程消耗的电能$W = P_{额}t = 1800W×5×60s = 5.4×10^{5}J$;假设炒菜机器人的电阻不变,由$P=\frac{U^{2}}{R}$可得,$P_{实}=\frac{U_{实}^{2}}{U_{额}^{2}}P_{额}=\frac{(198V)^{2}}{(220V)^{2}}×1800W = 1458W$,炒菜过程消耗的电能$W_{实}=P_{实}t = 1458W×5×60s = 4.374×10^{5}J = 0.1215kW· h$,电能表指示灯闪烁的次数$n = 0.1215kW· h×2000imp/(kW· h)=243imp$。
解析:
解:由图甲可知,智能炒菜机器人的额定功率$P_{额}=1800W$,炒菜时间$t = 5min=5×60s = 300s$,则消耗的电能$W=P_{额}t=1800W×300s = 5.4×10^{5}J$。
由$P=\frac{U^{2}}{R}$可得,机器人电阻$R=\frac{U_{额}^{2}}{P_{额}}$,实际电压$U_{实}=198V$时,实际功率$P_{实}=\frac{U_{实}^{2}}{R}=\frac{U_{实}^{2}}{U_{额}^{2}}P_{额}=\frac{(198V)^{2}}{(220V)^{2}}×1800W = 1458W$。
实际消耗电能$W_{实}=P_{实}t = 1458W×300s = 4.374×10^{5}J = 0.1215kW·h$。
由图乙知电能表参数为$2000imp/(kW·h)$,则指示灯闪烁次数$n = 0.1215kW·h×2000imp/(kW·h)=243imp$。
$5.4×10^{5}$;243
11. 如图所示,电源电压和灯泡L的电阻不变,灯泡L上标有“6 V 6 W”字样. 当开关S、$\mathrm{S}_{1}$均闭合,滑片P移至a端时,电流表示数为2 A,灯泡L正常发光;当开关S闭合、$\mathrm{S}_{1}$断开,滑片P移至b端时,电源电压U为
6
V,灯泡L的实际电功率为
1.5
W.

答案:11. 6 1.5 解析:当开关S、$S_1$均闭合,滑片P移至a端时,灯泡和滑动变阻器并联,电流表测干路电流,因为灯泡正常发光,所以电源电压$U = U_{L}=6V$,由$P = UI$可得,通过灯泡的电流$I_{L}=\frac{P_{L}}{U_{L}}=\frac{6W}{6V}=1A$,则通过滑动变阻器的电流$I_{滑}=I - I_{L}=2A - 1A = 1A$,由欧姆定律可得,滑动变阻器的最大阻值$R_{滑}=\frac{U}{I_{滑}}=\frac{6V}{1A}=6\Omega$。灯泡的电阻$R_{L}=\frac{U_{L}}{I_{L}}=\frac{6V}{1A}=6\Omega$。当开关S闭合、$S_1$断开,滑片P移至b端时,灯泡与滑动变阻器的最大阻值串联,此时电路的总电阻$R_{总}=R_{滑}+R_{L}=6\Omega + 6\Omega = 12\Omega$,电路中的电流$I'=\frac{U}{R_{总}}=\frac{6V}{12\Omega}=0.5A$,则灯泡L的实际功率$P_{实}=I'^{2}R_{L}=(0.5A)^{2}×6\Omega = 1.5W$。
12. 小尚观察家里的电饭锅,其简化电路如图甲所示.$R_{1}$和$R_{2}$均为电热丝,$R_{1}:R_{2}=2:1$,开关是自动控制开关,开关向上与触点a、b接通,向下仅与触点c接通. 如图乙所示为这个电饭锅在某次正常煮饭全过程中总电流随时间的变化图像,且10~15 min的过程中$R_{2}$消耗的电能为$1.32×10^{5}$J. 求:

(1)$R_{2}$工作时的功率.
(2)开关与触点a、b接通时,电路的总功率.
(3)若某次实际煮饭用时与正常煮饭用时之比为 $100:81$,则实际电压为多少?
答案:12. (1)440W (2)660W (3)198V
解析:(1)由图甲可知,当开关S向上与触点a、b接通时,电热丝$R_1$和$R_2$并联,此时电路的总电阻最小,由$P=\frac{U^{2}}{R}$可知电路的总功率最大,当S向下仅与触点c接通时,电路为$R_2$的简单电路,电路的电阻最大,总功率最小。10~15min的过程中$R_2$消耗的电能为$1.32×10^{5}J$,$R_2$工作时的功率$P_2=\frac{W}{t}=\frac{1.32×10^{5}J}{5×60s}=440W$。(2)$R_2=\frac{U^{2}}{P_2}=\frac{(220V)^{2}}{440W}=110\Omega$,$R_1 = 110\Omega×2 = 220\Omega$,开关与触点a、b接通时,电路的总功率$P=\frac{U^{2}}{R_1}+P_2=\frac{(220V)^{2}}{220\Omega}+440W = 660W$。(3)若某次实际煮饭用时与正常煮饭用时之比为100:81,因为煮饭需要的电能是不变的,所以$\frac{P_{实}}{P_{额}}=\frac{\frac{W}{t_{实}}}{\frac{W}{t_{额}}}=\frac{81}{100}$,由$P=\frac{U^{2}}{R}$可得,$\frac{U_{实}}{U_{额}}=\sqrt{\frac{P_{实}}{P_{额}}}=\sqrt{\frac{81}{100}}=\frac{9}{10}$,所以$U_{实}=\frac{9}{10}U_{额}=\frac{9}{10}×220V = 198V$。