1. (2025·安徽合肥一模)在如图所示的部分家庭电路中,正常发光的灯泡 L 突然熄灭,火线上的熔丝未断,用测电笔分别测 a、b、c、d 四点,发现测 a 点时氖管发光,测 b、c、d 三点时氖管不发光。若电路只有一处故障,则该故障可能是(
C
)

A.灯泡 L 短路
B.灯泡 L 断路
C.开关 S 接触不良
D.导线 cd 间断路
答案:1.C
解析:
解:用测电笔测a点氖管发光,说明a点与火线连通;测b、c、d三点氖管不发光,说明b、c、d点与火线断开。
若灯泡L短路,熔丝会熔断,与题意不符,A错误;
若灯泡L断路,测c点氖管应发光,B错误;
若开关S接触不良,a点与火线连通,b、c、d点与火线断开,符合题意,C正确;
若导线cd间断路,测d点氖管应发光,D错误。
答案:C
2. (2025·广东广州一模)如图所示是某家庭电路,闭合开关 S₁、S₂,灯泡 L₁ 正常发光、L₂ 不亮,断开 S₁、保持 S₂ 闭合,用测电笔插入插座上孔氖管发光,插入插座下孔氖管发光。则故障可能是(
B
)

A.ac 间断路
B.bd 间断路
C.灯泡 L₂ 断路
D.b 点到零线之间断路
答案:2.B
解析:
解:闭合开关$S_1$、$S_2$,$L_1$正常发光,说明火线经$a$、$S_1$、$L_1$、$b$到零线通路;$L_2$不亮,可能$L_2$支路断路。断开$S_1$、保持$S_2$闭合,插座上孔(接火线端)氖管发光,下孔(接零线端)氖管发光,说明插座下孔通过$L_2$、$S_2$、$c$与火线连通,而零线端无正常通路,故障为$bd$间断路。
B
3. (2025·江苏苏州一模)如图所示,在进户线的干路上串联一只标有“220 V 40 W”的校验灯 L₂,检查 L₁ 所在支路情况,下列说法正确的是(
C
)

A.若只闭合 S₁ 时发现 L₁、L₂ 都不亮,说明 L₁ 所在支路短路
B.若只闭合 S₁ 时发现 L₁ 不亮、L₂ 正常发光,说明 L₁ 所在支路断路
C.若只闭合 S₁ 时发现 L₁、L₂ 都发光但较暗,说明 L₁ 所在支路正常
D.若只闭合 S₁ 时发现 L₁ 不亮、L₂ 正常发光,此时用测电笔接触 B 点,氖管会发光
答案:3.C 解析:由图可知,只闭合开关S₁时,L₁与L₂串联.若发现L₁、L₂都不亮,说明电路出现了断路现象,则L₁所在支路断路,故A错误;若发现L₁不亮、L₂正常发光,说明校验灯两端的电压为220V,所以故障是L₁所在的支路短路,故B错误;若发现L₁、L₂都发光,但较暗,说明两灯两端的电压都小于220V,因此L₁所在的支路正常,故C正确;若发现L₁不亮、L₂正常发光,此时用测电笔接触B点,B点与零线相连,氖管不会发光,故D错误.
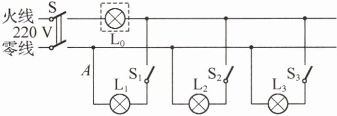
4. 家庭电路中,当电路发生故障时,电工师傅常用一只额定电压为 220 V 的灯泡 L₀(检验灯泡),放在保险丝位置上,并且断开保险丝,检查家庭电路中每个支路,如图所示,当 S 闭合时,再逐一闭合 S₁、S₂、S₃(每次只闭合一个开关)时,可能出现下列几种现象,请你根据所提供的现象判断电路的状况(均选填“短路”“断路”或“正常”)。

(1) L₀ 不亮,说明该支路
断路
。
(2) L₀ 正常发光,说明该支路
短路
。
(3) L₀ 发光呈暗红色,说明该支路
正常
。
答案:4.(1)断路 (2)短路 (3)正常
5. (2025·辽宁沈阳模拟)在如图甲所示的家庭电路中,闭合开关 S 后灯 L 不亮,小王猜测是灯泡 L 短路造成的。于是他用测电笔测试 A 点,发现氖管
发光
(选填“发光”或“不发光”),则他的猜测是错误的。为了进一步确定灯不亮的原因,他取下保险丝,接入一个与 L 规格相同的灯泡 L₁,如图乙所示,若闭合开关后,L₁ 也不亮,则故障可能是灯泡 L
断路
。

答案:5.发光 断路 解析:若灯泡L短路,会使火线和零线直接相连,使保险丝烧断或跳闸,用测电笔测A点氖管不会发光,已知小王的猜测是错误的,则说明灯泡L未发生短路,用测电笔测试A点,氖管发光.取下保险丝,接入一个与L规格相同的灯泡L₁,此时两灯泡串联,闭合开关后,L₁也不亮,说明电路发生断路,即灯泡L断路.