对点实验1 测量灯泡的功率
实验纵览
某物理实验小组在测定“小灯泡的电功率”,所用的器材有:额定电压为2.5 V、4.5 V的小灯泡各一个(电阻均约为10 Ω),滑动变阻器R₁(50 Ω 0.5 A)、R₂(100 Ω 1 A)、R₃(800 Ω 1.5 A)各一个,电流表(0~0.6 A、0~3 A),电压表(0~3 V、0~15 V),学生电源(电压恒为6 V),开关、导线若干.

【实验操作设问】
(1)小明选用额定电压为2.5 V的小灯泡进行测量,设计的实验电路如图甲所示,请你用笔画线代替导线,将图甲中的实物电路连接完整.
(2)小亮选用额定电压为4.5 V的小灯泡进行测量,所用的器材与小明完全相同,若要在图甲所示电路的基础上进行改装,他应进行的操作是
将电压表的正接线柱改接“15”接线柱
.
(3)为了保证电路安全,连接电路时开关应处于
断开
状态;闭合开关前,滑动变阻器滑片应位于
A
(选填“A”或“B”)端.
(4)小明连接完电路,闭合开关后,发现无论怎样移动滑片,小灯泡都不亮,电流表无示数,电压表示数明显,仔细检查发现导线连接无误,则出现该状况的原因可能是
B
.
A. 电流表内部断路了
B. 灯泡的灯丝断了
C. 灯座内部出现了短路
D. 滑动变阻器的电阻丝断了
(5)排除故障后,小明移动滑片到某一位置时,电压表的示数如图乙所示,为
2.2
V;要想测量小灯泡的额定功率,应将图甲中滑动变阻器的滑片向
B
(选填“A”或“B”)端移动,使电压表的示数为2.5 V.
【能力提升设问】
(6)图
像处理 小明移动滑动变阻器的滑片,多次实验,记下对应的电压表和电流表的示数,绘制出如图丙所示的图像,根据图像信息,可得出小灯泡的额定功率是
0.5
W;实验中小明应选择的最佳滑动变阻器为
R₂
(选填“R₁”“R₂”或“R₃”).
(7)误
差分析 由于电压表中也有微弱电流通过,导致小灯泡测得的功率与额定功率相比
偏大
(选填“偏大”或“偏小”).
(8)数
据分析 小亮测量额定电压为4.5 V小灯泡的功率,实验中测出了5组数据,并记录在下表中,他的读数和记录都正确,但仔细分析他的数据发现,他在连接电路时出现了错误,他的错误是
把电压表接到了滑动变阻器两端
;但同学们还是算出了灯泡的额定功率为
1.62
W.

(9)结论应用 小亮经过多次测量后,绘出了小灯泡的电流与电压关系的U-I图像,如图丁所示,则下列各图中能正确表示小灯泡的功率P与其两端电压的平方U²的关系的是
D
.

【拓展创新设问】
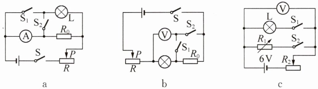
(10)安阻法 小华观摩了小明的实验后,准备用与小明同样的器材测量小灯泡的额定功率,但他发现电压表损坏了,经过思考,他想出了一种不用电压表的测量方法:增加两个开关,并找来一个阻值已知的定值电阻R₀,设计如图a所示的电路,请将下列步骤补充完整.
① 检查电路无误后,闭合开关S、S₁,断开S₂,调节滑动变阻器滑片直至电流表示数为I₁时,小灯泡正常发光;
②
保持滑片不动,闭合开关S、S₂,断开S₁
,读出电流表的示数为I₂;
③ 小灯泡的额定功率$P_{额}=$
I₁R₀(I₂−I₁)
(用R₀、I₁、I₂表示).

(11)
伏阻
法 受到小华实验的启发,小明想到:不利用电流表能否测出小灯泡的额定功率呢?经过和小华讨论,在小华实验的基础上,小明找来一个完好的电压表,设计出了如图b所示的电路测量小灯泡的额定功率,实验步骤如下:
① 依据电路图连接好电路,只闭合开关S、S₁,调节滑动变阻器,使电压表的示数为2.5 V;
② 保持滑动变阻器滑片位置不变,闭合开关S、S₂,断开开关S₁,读出电压表示数为U₁;
③ 小灯泡的额定功率$P_{额}=$
2.5V×$\frac{U_1 - 2.5V}{R_0}$
(用U₁和R₀表示).
(12)等效替代法 经过小组交流后,小亮也想到了另一种测小灯泡额定功率的方法,他在自己原来实验的基础上,增加一个开关,一个电阻箱,设计了如图c所示的电路,实验步骤如下:
① 仅闭合S,调节滑动变阻器R₂滑片至某一位置,使电压表示数为4.5 V;
② 在保持
滑动变阻器滑片的位置不变
的情况下,仅闭合S₂,调节电阻箱R₁使电压表示数为
4.5
V,此时R₁接入电路的阻值为12.5 Ω;
③ 该小灯泡的额定功率为
1.62
W.
答案:对点实验1 测量灯泡的功率
(1)如图所示 (2)将电压表的正接线柱改接“15”接线柱 (3)断开 A (4)B (5)2.2 B (6)0.5 R₂ (7)偏大 (8)把电压表接到了滑动变阻器两端1.62 (9)D (10)②保持滑片不动,闭合开关S、S₂,断开S₁ ③I₁R₀(I₂−I₁) (11)2.5V×$\frac{U_1 - 2.5V}{R_0}$
(12)②滑动变阻器滑片的位置不变 4.5 ③1.62
解析:(6)由图丙可知,当小灯泡的电压为额定电压2.5V时,通过它的电流为0.2A,则小灯泡的额定功率为2.5V×0.2A = 0.5W;当小灯泡两端的电压为0.5V时,通过它的电流为0.1A,滑动变阻器两端的电压U滑 = U−UL = 6V−0.5V = 5.5V,此时变阻器接入电路的阻值R = $\frac{U_滑}{I}$ = $\frac{5.5V}{0.1A}$ = 55Ω,超出R₁的阻值范围,同时R₃的阻值范围过大,不好调节,故滑动变阻器的最佳选择是R₂。(8)由表格数据横向比较可知,电路中电流增大,说明变阻器接入电路的阻值减小,变阻器两端的电压减小,而电压表示数也减小,由此说明电压表接到了滑动变阻器两端;当电压表示数为1.5V时,灯泡两端的电压U额 = U−U滑 = 6V−1.5V = 4.5V,对照表格数据可得,灯泡的额定电流I额 = 0.36A,则灯泡的额定功率P额 = U额I额 = 4.5V×0.36A = 1.62W。(9)由U−I图像和R = $\frac{U}{I}$可知,灯泡电阻随温度的升高而增大,由P = $\frac{U^2}{R}$ = $\frac{1}{R}U^2$可知,P−U²图像中,$\frac{1}{R}$随温度升高而减小,则功率随电压平方的变化越来越缓慢,故D正确。
(11)闭合开关S、S₁,电压表测量小灯泡两端的电压,移动滑片P使电压表的示数为2.5V,小灯泡正常发光;保持滑片P位置不动,只断开开关S₁、闭合开关S₂,电压表测小灯泡和定值电阻两端的总电压,记下电压表的示数为U₁,由于电路连接方式不变,电路中电阻不变,电流不变,此时小灯泡两端的电压仍为2.5V,根据串联电路的电压规律,定值电阻两端的电压U₀ = U₁−2.5V,则小灯泡的额定电流I额 = I₀ = $\frac{U_0}{R_0}$ = $\frac{U_1 - 2.5V}{R_0}$,小灯泡的额定功率P额 = U额I额 = 2.5V×$\frac{U_1 - 2.5V}{R_0}$。(12)由题意可知,小亮用图c电路测量额定电压为4.5V的小灯泡的额定功率。①仅闭合S₁,调节滑动变阻器R₂的滑片至某一位置,使电压表示数为4.5V;②在保持滑动变阻器滑片位置不变的情况下,仅闭合S₂,调节电阻箱R₁,使电压表示数为4.5V,此时R₁接入电路的阻值为12.5Ω。在步骤①中,灯泡与滑动变阻器串联,电压表测小灯泡两端的电压,移动滑动变阻器的滑片使电压表示数为4.5V时,小灯泡正常发光;在步骤②中,保持滑动变阻器滑片不动,通过开关的转换,使电阻箱R₁和滑动变阻器串联,电压表测电阻箱R₁两端的电压,调节电阻箱R₁,使电压表示数为4.5V,根据等效替代法可知,此时电阻箱R₁的阻值与小灯泡正常发光时的阻值相等,即RL = R₁ = 12.5Ω,则该小灯泡的额定功率P额 = $\frac{U_额^2}{R_L}$ = $\frac{(4.5V)^2}{12.5Ω}$ = 1.62W。