1. (2025·河南周口二模)如图所示的电路中,电源电压不变,开关 S₁ 闭合,开关 S₂ 由断开到闭合的过程中,下列说法中正确的是 (
C
)

A.电流表示数变大,电压表示数不变
B.电流表示数变大,电压表示数变小
C.电压表和电流表示数的比值不变
D.电路消耗的总功率变小
答案:1.C
解析:
解:
开关$S_1$闭合、$S_2$断开时,$R_1$与$R_2$串联,电压表测$R_2$两端电压,电流表测电路电流,此时$\frac{U_V}{I_A}=R_2$。
开关$S_1$、$S_2$均闭合时,$R_1$被短路,电路为$R_2$的简单电路,电压表仍测$R_2$两端电压(即电源电压),电流表测电路电流,此时$\frac{U_V'}{I_A'}=R_2$。
综上,电压表和电流表示数的比值始终等于$R_2$的阻值,保持不变。
C
2. (2025·四川绵阳二模)如图所示电路,电源电压不变,灯泡 L 标有“6 V 3 W”字样,R₁、R₂ 为定值电阻.当 S 闭合、S₁ 和 S₂ 断开时,灯泡 L 正常发光,L 和 R₁ 的功率之比为 3:1;当开关都闭合时,R₁ 和 R₂ 的功率之比为 4:1. 则下列判断中错误的是 (
D
)

A.电源电压为 8 V
B.灯泡 L 正常发光时的电阻为 12 Ω
C.R₁=4 Ω
D.开关都闭合时,R₂ 的功率是 16 W
答案:2.D 解析:由题意知,灯泡L正常发光时的电阻$R_{\mathrm{L}}=$
$\frac{U_{\mathrm{L}}^{2}}{P_{\mathrm{L}}}=\frac{(6\mathrm{V})^{2}}{3\mathrm{W}}=12\ \Omega$,故B正确;由电路图知,当S闭
合、$S_{1}$和$S_{2}$断开时,L与$R_{1}$串联接入电路,$R_{2}$断路,
此时L正常发光,则电路中的电流$I_{1}=I_{\mathrm{L}}=\frac{P_{\mathrm{L}}}{U_{\mathrm{L}}}=$
$\frac{3\mathrm{W}}{6\mathrm{V}}=0.5\mathrm{A}$,L和$R_{1}$功率之比为$3:1$,即$3\mathrm{W}$:
$P_{1}=3:1$,解得$P_{1}=1\mathrm{W}$,由$P=I^{2}R$得,$R_{1}=\frac{P_{1}}{I_{1}^{2}}=$
$\frac{1\mathrm{W}}{(0.5\mathrm{A})^{2}}=4\ \Omega$,$R_{1}$两端的电压$U_{1}=I_{1}R_{1}=0.5\mathrm{A}×$
$4\ \Omega=2\mathrm{V}$,则电源电压$U=U_{1}+U_{\mathrm{L}}=2\mathrm{V}+6\mathrm{V}=8\mathrm{V}$,
故A、C正确;开关都闭合时,两电阻并联接入电路,
$R_{1}$的功率$P_{1}'=\frac{U^{2}}{R_{1}}=\frac{(8\mathrm{V})^{2}}{4\ \Omega}=16\mathrm{W}$,由题意知,两电
阻的功率之比$P_{1}':P_{2}=16\mathrm{W}:P_{2}=4:1$,解得
$R_{2}$的功率$P_{2}=4\mathrm{W}$,故D错误.
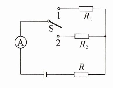
3. 在如图所示的电路中,电源电压不变,电阻 R₁=5 Ω,R₂=10 Ω,R=5 Ω. 当开关 S 接 1 时,电流表的示数为 0.6 A,此时 R₁ 两端的电压为
3
V;当开关 S 接 2 时,电流表的示数为
0.4
A,电阻 R 消耗的电功率为
0.8
W.

答案:3.3 0.4 0.8
解析:
解:当开关S接1时,R₁与R串联,电流表测电路电流。
$U_{1}=I_{1}R_{1}=0.6\,\mathrm{A} × 5\,\Omega = 3\,\mathrm{V}$。
电源电压$U=I_{1}(R_{1}+R)=0.6\,\mathrm{A} × (5\,\Omega + 5\,\Omega)=6\,\mathrm{V}$。
当开关S接2时,R₂与R串联。
总电阻$R_{\mathrm{总}}=R_{2}+R=10\,\Omega + 5\,\Omega = 15\,\Omega$。
电流表示数$I_{2}=\frac{U}{R_{\mathrm{总}}}=\frac{6\,\mathrm{V}}{15\,\Omega}=0.4\,\mathrm{A}$。
电阻R消耗的电功率$P=I_{2}^{2}R=(0.4\,\mathrm{A})^{2} × 5\,\Omega=0.8\,\mathrm{W}$。
3;0.4;0.8
4. 新趋势
综合实践 (2025·山西)在创新实践活动中,小明和小亮为学校小花园的储水箱设计了一个水位监测装置,内部简化电路图如图所示. 电源电压一定,R₀ 为定值电阻,R₁ 为滑动变阻器,水位计由电压表改装而成. 闭合开关 S,水箱中水位上升时,连杆带动滑片 P 向上移动,下列分析正确的是 (
D
)

A.R₁ 接入电路的电阻变大
B.通过 R₀ 的电流变小
C.电压表的示数变小
D.电阻 R₀ 的功率变大
答案:4.D
解析:
解:由图知,$R_0$与$R_1$串联,电压表测$R_0$两端电压。
水位上升时,滑片$P$上移,$R_1$接入电路的电阻变小,总电阻$R_{\mathrm{总}}=R_0+R_1$变小。
电源电压$U$一定,由$I=\frac{U}{R_{\mathrm{总}}}$得,电路中电流$I$变大。
通过$R_0$的电流等于电路电流,故电流变大,B错误;
由$U_0=IR_0$得,$R_0$两端电压$U_0$变大,即电压表示数变大,C错误;
由$P_0=I^2R_0$得,$R_0$的功率$P_0$变大,D正确;
$R_1$接入电阻变小,A错误。
结论:D
5. (2025·四川泸州一模)如图所示,已知电源电压为 3 V,小灯泡 L 的规格为“3 V 0.9 W”,滑动变阻器的规格为“20 Ω 1 A”,电流表量程为 0~3 A,则小灯泡正常发光时阻值 R_L=
10
Ω. 当开关 S₁、S₂ 同时闭合,向右移动滑动变阻器的滑片,小灯泡的亮度将
不变
(选填“变亮”“变暗”或“不变”);在保证各元件安全工作的情况下,调节电路,电路消耗的最大总功率为
3.9
W.

答案:5.10 不变 3.9
解析:
解:
1. 小灯泡正常发光时阻值:由 $P = \frac{U^2}{R}$ 得,$R_L = \frac{U_L^2}{P_L} = \frac{(3\ \mathrm{V})^2}{0.9\ \mathrm{W}} = 10\ \Omega$。
2. 当开关 $S_1$、$S_2$ 同时闭合,小灯泡 $L$ 与滑动变阻器 $R$ 并联,电源电压为 $3\ \mathrm{V}$,小灯泡两端电压等于额定电压,实际功率等于额定功率,故向右移动滑片,亮度不变。
3. 电路消耗的最大总功率:灯正常发光电流 $I_L = \frac{P_L}{U_L} = \frac{0.9\ \mathrm{W}}{3\ \mathrm{V}} = 0.3\ \mathrm{A}$,滑动变阻器最大电流 $I_R = 1\ \mathrm{A}$,总电流 $I_{\mathrm{总}} = I_L + I_R = 0.3\ \mathrm{A} + 1\ \mathrm{A} = 1.3\ \mathrm{A}$,最大总功率 $P_{\mathrm{总}} = U I_{\mathrm{总}} = 3\ \mathrm{V} × 1.3\ \mathrm{A} = 3.9\ \mathrm{W}$。
10;不变;3.9
6. (2025·安徽)如图所示的电路中,电源电压保持不变,滑动变阻器 R₁ 的最大阻值为 20 Ω,R₂、R₃ 均为定值电阻,其中 R₃=10 Ω. 当开关 S₁ 闭合、开关 S₂ 断开,滑动变阻器的滑片 P 移至最左端时,电压表的示数为 10.0 V,电流表的示数为 0.40 A.
(1)求电阻 R₃ 两端的电压.
(2)求电阻 R₂ 的阻值.
(3)闭合开关 S₁、S₂,将滑动变阻器的滑片 P 移至某一位置,此时整个电路消耗的电功率为 7 W,求滑动变阻器消耗的电功率.

答案:6.(1)$4.0\mathrm{V}$ (2)$5\ \Omega$ (3)$4.5\mathrm{W}$ 解析:(1)分析电
路可知,当开关$S_{1}$闭合、开关$S_{2}$断开,滑动变阻器的
滑片P移至最左端时,$R_{2}$、$R_{3}$和滑动变阻器$R_{1}$的最
大阻值串联,电压表测$R_{1}$、$R_{2}$的总电压,电流表测电
路电流.电阻$R_{3}$两端的电压$U_{3}=IR_{3}=0.40\mathrm{A}×$
$10\ \Omega=4.0\mathrm{V}$.(2)$R_{1}$、$R_{2}$的总电阻$R_{1+2}=\frac{U_{\mathrm{V}}}{I}=$
$\frac{10.0\mathrm{V}}{0.40\mathrm{A}}=25\ \Omega$,则电阻$R_{2}$的阻值$R_{2}=R_{1+2}-R_{1}=$
$25\ \Omega-20\ \Omega=5\ \Omega$.(3)电源电压$U=U_{\mathrm{V}}+U_{3}=$
$10.0\mathrm{V}+4.0\mathrm{V}=14.0\mathrm{V}$,闭合开关$S_{1}$、$S_{2}$,滑动变阻
器$R_{1}$和$R_{3}$串联,将滑动变阻器的滑片P移至某一
位置,此时整个电路消耗的电功率为$7\mathrm{W}$,则此时电
路中电流$I'=\frac{P}{U}=\frac{7\mathrm{W}}{14.0\mathrm{V}}=0.5\mathrm{A}$,此时$R_{3}$两端电
压$U_{3}'=I'R_{3}=0.5\mathrm{A}×10\ \Omega=5.0\mathrm{V}$,由串联电路电
压规律可得,滑动变阻器两端电压$U_{\mathrm{滑}}=U-U_{3}'=$
$14.0\mathrm{V}-5.0\mathrm{V}=9.0\mathrm{V}$,则滑动变阻器消耗的电功率
$P_{1}=U_{\mathrm{滑}}I'=9.0\mathrm{V}×0.5\mathrm{A}=4.5\mathrm{W}$.