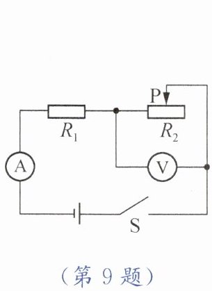
9. 如图所示,电源电压恒为$6 V$,定值电阻$R_1$上标有“$10\ \Omega\ 0.5 A$”字样;滑动变阻器$R_2$上标有“$20\ \Omega\ 1 A$”字样,电流表量程为$0\sim0.6 A$,电压表量程为$0\sim3 V$。闭合开关$S$,下列做法中能够保证电路安全的是(
D
)。

A.电路中电流不超过$0.6 A$
B.$R_1$两端电压不超过$3 V$
C.$R_2$接入电路的阻值范围为$10\sim20\ \Omega$
D.电路的总功率变化范围为$1.8\sim3 W$
解析:
解:电路中$R_1$与$R_2$串联,电流表测总电流,电压表测$R_2$两端电压。
1. 电流限制分析:
$R_1$允许最大电流$I_{1\max}=0.5\ A$,电流表量程$I_{ A\max}=0.6\ A$,$R_2$允许最大电流$I_{2\max}=1\ A$,故电路最大电流$I_{\max}=0.5\ A$。
2. 电压限制分析:
电压表量程$U_{2\max}=3\ V$,此时$R_1$两端电压$U_1=U-U_2=6\ V-3\ V=3\ V$,电路电流$I=\frac{U_1}{R_1}=\frac{3\ V}{10\ \Omega}=0.3\ A \leq 0.5\ A$,安全。
3. $R_2$阻值范围:
电流最大时,总电阻最小:$R_{ 总\min}=\frac{U}{I_{\max}}=\frac{6\ V}{0.5\ A}=12\ \Omega$,$R_{2\min}=R_{ 总\min}-R_1=12\ \Omega-10\ \Omega=2\ \Omega$。
电压最大时,$R_2$最大:$R_{2\max}=\frac{U_{2\max}}{I}=\frac{3\ V}{0.3\ A}=10\ \Omega$,故$R_2$范围为$2\ \Omega\sim10\ \Omega$。
4. 总功率范围:
$P_{\max}=UI_{\max}=6\ V×0.5\ A=3\ W$,$P_{\min}=UI=6\ V×0.3\ A=1.8\ W$,范围$1.8\ W\sim3\ W$。
结论:D正确。
D