1. 打雷时,闪电电压可达$10^9 V$,电流约为$2 × 10^4 A$,放电时间约为$10^{-3} s$,一次闪电释放的电能约为
$2 × 10^{10}$
J,约合
5555.6
$ kW· h$。若能将这些能量收集起来,可供一般家庭(设每户家庭每月耗电$100 kW· h$)使用
4.6
年。
答案:1. $2 × 10^{10}$ 2. 5555.6 3. 4.6
解析:
$2×10^{10}$;5555.6;4.6
2. 额定电压为$220 V$的家用电暖器正常工作时,通过内部电热丝的电流为$5 A$,则电热丝正常工作时的电阻为
44
$\Omega$,工作$10 min$产生的热量为
$6.6 × 10^{5}$
J。电热丝通电后变得很烫,而连接的导线却不怎么热,这是由于导线电阻
远小于
(远大于/远小于)电热丝电阻。
答案:4. 44 5. $6.6 × 10^{5}$ 远小于
解析:
44;$6.6× 10^{5}$;远小于
3. 下课后,王老师去关闭计算机教室的总开关,发现$3000 imp/(kW· h)$的电能表表脉冲指示灯在缓慢闪烁,指示灯$2 min$内闪烁了$6$次,这说明电路消耗了
7200
J的电能。经检查发现,机房内还有$20$台型号相同的电脑显示器处于待机状态,则每台电脑显示器的待机功率约为
3
W。
答案:6. 7200 7. 3
解析:
电路消耗的电能:$W = \frac{6}{3000}kW· h = 0.002kW· h = 0.002×3.6×10^{6}J = 7200J$
总待机功率:$P_{总} = \frac{W}{t} = \frac{7200J}{2×60s} = 60W$
每台电脑显示器的待机功率:$P = \frac{P_{总}}{20} = \frac{60W}{20} = 3W$
7200;3
4. 如图(a)所示是标有“$3.8 V$ $1.2 W$”字样的灯泡$L$中的电流随着它两端电压的变化关系图像。如图(b)所示,电源电压恒定,将此灯泡接入电路中,闭合开关$S_1$后,灯泡的实际功率为$0.5 W$。将滑动变阻器的滑片$P$移至变阻器中点,再闭合开关$S_2$后,电流表示数变化了$0.16 A$,则此时滑动变阻器$R$接入电路的阻值为
12.5
$\Omega$。在开关$S_1$、$S_2$均闭合的情况下,合理控制滑动变阻器的阻值,此时电路消耗的最小总功率为
0.66
W。

答案:8. 12.5 9. 0.66
解析:
解:
1. 闭合$S_1$时,电路为灯泡$L$的简单电路。由图(a),当灯泡实际功率$P_L=0.5\ W$时,$U_L=2\ V$,$I_L=0.25\ A$,电源电压$U=U_L=2\ V$。
2. 闭合$S_2$后,$L$与$R$并联,电流表示数变化量$\Delta I=0.16\ A$,即通过$R$的电流$I_R=0.16\ A$。此时$R$接入电路的阻值$R_{ 中}=\frac{U}{I_R}=\frac{2\ V}{0.16\ A}=12.5\ \Omega$。
3. 要使电路总功率最小,需$R$接入最大阻值$R_{ max}=2R_{ 中}=25\ \Omega$,此时$I_R'=\frac{U}{R_{ max}}=\frac{2\ V}{25\ \Omega}=0.08\ A$,总电流$I_{ 总}=I_L+I_R'=0.25\ A+0.08\ A=0.33\ A$,最小总功率$P_{ min}=UI_{ 总}=2\ V×0.33\ A=0.66\ W$。
12.5;0.66
5. 如图所示是一个家庭电路中常用的五孔插座,其中$A$孔应接
火
线,$B$孔应接
零
线,$C$孔应接
地
线。

答案:10. 火 零 地
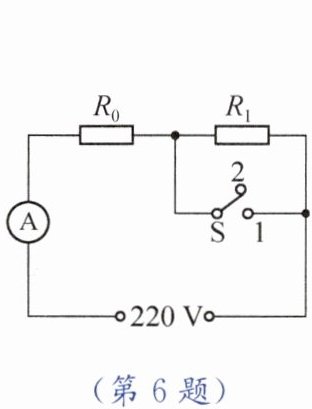
6. 某型号的电饭锅有高温挡和低温挡。它的原理图如图所示,$R_0$、$R_1$为电热丝。当其开关$S$接“$1$”时是
挡;当开关$S$分别接“$1$”和“$2$”时,电流表的示数分别为$5 A$和$1 A$,则电阻$R_0 =$
$\Omega$、$R_1 =$
$\Omega$。电饭锅处于高温挡工作$10 min$产生的热量为
J。

答案:11. 高温 44 176 $6.6 × 10^{5}$
解析:
高温;44;176;$6.6×10^{5}$