1. 填一填。
(1) 用分数表示下面各图中的涂色部分。

$\frac{(\ )}{(\ )}$ $\frac{(\ )}{(\ )}$ $\frac{(\ )}{(\ )}$
答案:(1)$\frac{1}{8}$ $\frac{1}{2}$ $\frac{1}{4}$ [提示]用平移或旋转的方法进行转化。
解析:
$\frac{1}{8}$ $\frac{1}{2}$ $\frac{1}{4}$
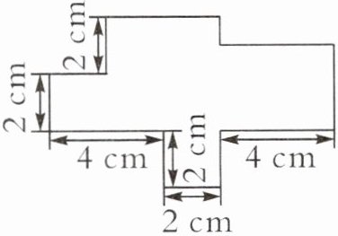
(2) 求下面图形的周长时,可以将图形转化为长(
10
)厘米、宽(
6
)厘米的(
长方
)形,计算起来更简便。

答案:(2)10 6 长方 [提示]用平移的方法将题中不规则图形转化成长方形,再进行解答。
(3) 如左下图,学校要在礼堂的台阶上铺红毯,至少需要(
14
)米长的红毯。

答案:(3)14 [提示]$10 + 4 = 14$(米)
(4) 如右上图是程辛在美术课上设计的一幅花瓶图案,这幅图案的周长是(
20.56
)厘米,面积是(
16
)平方厘米。(每个小方格的边长是1厘米)
答案:(4)20.56 16 [提示]如下图,图案的周长$=AB + CD + 4$个半圆的弧长,$AB = CD = 4$厘米,4个半圆的弧长正好是2个直径为2厘米的圆的周长。将左下角的半圆绕点M顺时针旋转$180^{\circ}$,右下角的半圆绕点N逆时针旋转$180^{\circ}$,可得图案的面积 = 正方形ABDC的面积,正方形ABDC的边长是4厘米,根据正方形的面积 = 边长×边长解答即可。

2. 选一选。
(1) 下面四幅图中,涂色部分的面积相比较,(
D
)。

A.$a$ 的面积最小
B.$c$ 的面积最小
C.$d$ 的面积最大
D.一样大
答案:(1)D [提示]四个图涂色部分的面积都等于大圆面积减去中圆面积再加上小圆面积,所以四个图涂色部分的面积都相等。
(2) 如下图,分别以长方形、平行四边形、梯形的四个顶点为圆心,画半径为1厘米的圆。下面各图中的涂色部分的面积相比,(
D
)。

A.甲大
B.乙大
C.丙大
D.一样大
答案:(2)D [提示]甲、乙、丙涂色部分的内角和都是$360^{\circ}$,正好都是半径为1厘米的圆的面积。
(3) 如右图,最大的长方形中有7个形状、大小都相同的小长方形,则图中涂色部分的面积是(
D
)平方厘米。

A.34
B.52
C.104
D.144
答案:(3)D [提示]从题图中可知4个小长方形的宽的和是32cm,因此每个小长方形的宽是$32÷4 = 8$(cm),小长方形的长是$50 - 3×8 = 26$(cm)。涂色部分的面积是$50×32 - 26×8×7 = 144$($cm^{2}$)。
3. 求下面图中涂色部分的面积。(单位:cm)

答案:3.左图:$8×8 = 64$($cm^{2}$)
右图:$(4 + 8)×4÷2 = 24$($cm^{2}$)
[提示]左图中将右边正方形中的半圆涂色部分平移至左边正方形的空白部分,涂色部分组成一个边长为8厘米的正方形,据此求面积即可;右图中,通过折叠,把左边的涂色部分折叠到右边,使涂色部分组成一个梯形。
4. 在手工课上,小勇做了两个完全相同的直角三角形,并把它们叠在了一起(如右下图)。请你求出涂色部分的面积。(单位:cm)

答案:4.$(7 - 2 + 7)×4÷2 = 24$(平方厘米)
[提示]观察图形可知,涂色部分的面积与梯形ABEG的面积相等。梯形ABEG的上底是$7 - 2 = 5$(cm),下底是7cm,高是4cm。根据梯形的面积公式就可以求出涂色部分的面积。