9. (2025·北京模拟·2 分)某家庭电路的连接如图所示,下列说法正确的是(
B
)

A.L₁ 和 L₂ 是串联的
B.a 点所在的入户线是火线
C.空气开关只能安装在 b 点
D.c 点所在的导线是零线
答案:9. B
10. (2 分)如图所示,将吹风机的插头插入插座,闭合吹风机的开关,吹风机不工作;闭合灯泡的开关,灯泡亮。保持灯泡开关闭合,拔出插头,用测电笔分别接触插座的 B、C 两孔,发现接 B 时氖管不发光、接 C 时发光。若电路中只有一处故障,则故障可能是(
B
)

A.零线上保险丝烧断
B.AB 间电路断路
C.插座短路
D.CD 间电路断路
答案:10. B
解析:
解:闭合灯泡开关,灯泡亮,说明火线、零线及灯泡所在支路正常。
插入吹风机插头,闭合吹风机开关,吹风机不工作,说明吹风机支路故障。
拔出插头,测电笔接触插座B孔氖管不发光(无火线),接触C孔氖管发光(有火线),则故障为插座B孔与零线断开。
由图知,插座B孔通过A点接零线,故故障为AB间电路断路。
B
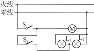
11. (2 分)如图为一款家用抽油烟机的简化电路。两盏照明灯均标有“220 V 40 W”字样,只闭合 S₁ 时,只有电动机工作;同时闭合 S₁、S₂ 时,两盏灯正常发光且电动机工作;当只闭合 S₂ 时,电动机与灯都不工作。请你将图中的电路补充完整。

答案:11. 如图所示

12. (2025·四川成都·2 分)学校开展“安全用电,珍惜生命”主题教育活动,下列符合安全用电原则的是(
B
)
A.可用湿抹布擦拭正在工作的台灯
B.绝缘皮破损的电线应及时更换
C.可以直接用手去拉触电中的人
D.电热水壶全部浸入水中清洗
答案:12. B
13. (2 分)如图所示是某住宅户内配电系统的方框图,结合方框图的情景,下列分析正确的是(
D
)

A.空调电流过大时,①会迅速切断电路
B.当电灯开关短路时,③会自动切断电路
C.当有人触电时,漏电保护器一定会自动切断电路
D.更换电灯的灯泡时,只需断开空气开关③即可
答案:13. D 解析:由图可知,空气开关①在干路上,空气开关②在空调所在支路上,通常情况下,干路上的空气开关限流较大,支路上的空气开关限流较小,这样使得某用电器电流过大时,该用电器所在支路的空气开关自动断,而不影响其他用电器正常使用,因此当空调电流过大时,控制空调的空气开关②会迅速切断电路,而空气开关①不会自动断开,故A错误;当电灯开关短路时,即开关处于一直闭合的状态,无法切断电路,但此时电灯是正常工作的,所以空气开关③不会自动切断电路,故B错误;漏电保护器接在插座所在的支路上,只有当人在插座处触电时,漏电保护器才会自动切断电路,若人在空调或电灯处触电,则漏电保护器不会自动切断电路,故C错误;更换电灯的灯泡时,只需断开空气开关③即可,故D正确。
14. (2025·河南新乡期末·3 分)在变电站旁常常立有如图所示的警示牌,这样做的目的主要是提醒人们不能
靠近
高压带电体,从而避免发生高压电弧触电。人或动物靠近高压带电体时,他们与高压带电体之间的空气可能会由绝缘体变成
导体
产生放电现象,使人触电危及生命,故
严禁
(选填“允许”或“严禁”)在高压线附近进行放风筝或钓鱼等活动。

答案:14. 靠近 导体 严禁