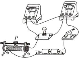
2. (2025·黑龙江齐齐哈尔)实验小组进行“测量小灯泡的电功率”实验。现有器材:小灯泡 L($U_{额}$ = 2.5 V,额定功率约为 0.8 W)、电压为 3 V 且保持不变的电源、标有“20 Ω 1 A”字样的滑动变阻器、开关、电流表、电压表、导线若干。

(1) 请用笔画线代替导线,将图甲中的实物电路连接完整。(导线不允许交叉)
(2) ① 小明检查电表量程的选择和电路的连接都无误后,闭合开关,将滑动变阻器的滑片调至阻值最大处,开始实验。小丽指出小明的实验操作存在错误,正确的操作应是
先将滑动变阻器的滑片调至阻值最大处,再闭合开关
;
② 正确操作后,继续实验的过程中,电压表指针出现如图乙所示的情况。经检查只有滑动变阻器发生故障,则故障可能是滑动变阻器
断路
(选填“断路”或“被短接”)。
(3) 排除故障后,继续实验,获取实验数据。当电压表示数为 2.5 V 时,电流表表盘如图丙所示,通过计算可知,小灯泡 L 的额定功率为
0.75
W。
(4) 完成实验后,小明设计了如图丁所示的电路,想要用原有的实验器材和定值电阻 $R_{0}$,在不使用电流表的情况下,测量该小灯泡 L 的额定功率。请你帮助他完成实验方案:
① 检查电路无误后,闭合开关 S,将开关 $S_{1}$ 接 a,调节滑动变阻器的滑片直至电压表示数为
0.5
V;
② 保持滑片不动,再将开关 $S_{1}$ 接 b,读出电压表示数为 $U_{0}$;
③ 小灯泡 L 的额定功率 $P_{额}$ =
$\frac{U_{额}U_{0}}{R_{0}}$
(用 $U_{额}$、$U_{0}$、$R_{0}$ 表示)。
(5) 小明找来了阻值为 20 Ω 的定值电阻 $R_{0}$,按照(4)中方案进行测量。你认为小明能否测出该小灯泡 L 的额定功率?请说明你的判断依据:
不能,理由见解析
。
答案:2.(1)如图所示 (2)先将滑动变阻器的滑片调至阻值最大处,再闭合开关 断路 (3)0.75 (4)0.5 $\frac{U_{额}U_{0}}{R_{0}}$ (5)不能,理由见解析
解析:(4)①检查电路无误后,闭合开关S,将开关$S_{1}$接a,小灯泡、$R_{0}$和滑动变阻器串联,电压表测$R_{0}$和滑动变阻器两端的总电压,调节滑动变阻器的滑片直至小灯泡正常发光,由串联电路的电压规律可知,此时电压表示数为$U_{V}=U - U_{额}=3V - 2.5V = 0.5V$;②保持滑片不动,再将开关$S_{1}$接b,电路连接方式不变,各元件电阻不变,电压表改测$R_{0}$两端的电压,读出电压表示数为$U_{0}$,则电路中电流$I_{0}=\frac{U_{0}}{R_{0}}$;③小灯泡L的额定功率$P_{额}=U_{额}I_{额}=U_{额}I_{0}=U_{额}\frac{U_{0}}{R_{0}}$。(5)由前面实验可知,小灯泡L的额定电流为0.3A。若定值电阻$R_{0}$的阻值为$20\Omega$,则小灯泡正常发光时,$R_{0}$两端的电压$U_{0}=I_{0}R_{0}=I_{额}R_{0}=0.3A×20\Omega = 6V>3V$,即$R_{0}$两端的电压大于电源电压,不符合实际,所以小明不能测出小灯泡L的额定功率。