6. (2分)如图甲所示,电源电压保持不变,定值电阻$R_{0}=10\ \Omega$。闭合开关S,在保证电路安全的前提下,将滑动变阻器的滑片从最右端开始最大限度地向左端调节,两电压表示数与电流表示数变化的关系图像如图乙所示。下列说法正确的是 (
C
)

A.电源电压为3V
B.$AB$图线对应的是电压表$V_{1}$的示数变化
C.滑动变阻器的最大阻值为$50\ \Omega$
D.电路消耗的最大功率为3.6W
答案:6.C 解析:由图乙可知,当电流为0.3A时,两电压表示数相等,两电压表示数$U_R=U_0=IR_0=0.3A × 10\Omega=3V$,则电源电压$U=U_0+U_R=3V+3V=6V$,故A错误;由题意可知,$R_0$与$R$串联,$V_1$测$R_0$两端的电压,$V_2$测$R$两端的电压,当滑动变阻器的滑片从最右端开始最大限度地向左端调节时,电路的总电阻变小,由$I=\frac{U}{R}$可知电路中电流变大,由$U=IR$可知$R_0$两端的电压变大,即$V_1$的示数变大,则CA图线对应的是电压表$V_1$的示数变化,故B错误;当电路中电流最小时,滑动变阻器接入电路的阻值最大,由图乙知最小电流为0.1A,此时电路的总电阻$R_{总}=\frac{U}{I_{最小}}=\frac{6V}{0.1A}=60\Omega$,则滑动变阻器的最大阻值$R_{最大}=R_{总}-R_0=60\Omega-10\Omega=50\Omega$,故C正确;电路中电流最大为0.3A,则电路消耗的最大功率$P=UI=6V × 0.3A=1.8W$,故D错误.
7. (2025·江苏常州模拟·3分)我市去年蝉联全国音乐节票房冠军,“青春乐都”实至名归。演唱会现场,歌声通过
空气
传入观众耳中,远处的观众根据声音的
音色
就可以判断出是哪位歌手在演唱。周围的居民为更好地休息,关闭门窗,这是在
声音传播途中
减弱噪声。
答案:7.空气 音色 声音传播途中
8. (2025·黑龙江绥化·2分)哈尔滨冰雪大世界的超长大滑梯是人们喜爱的冰雪项目。当游客滑下时,他的重力势能
变小
(选填“变大”“变小”或“不变”);以游客为参照物,地面是
运动
(选填“运动”或“静止”)的。
答案:8.变小 运动
9. 新趋势
情境素材(3分)如图所示是一张妙趣横生的照片,不用后期处理,直接采用手机错位拍摄一次而成。在拍摄过程中,手机照相机镜头相当于
凸
透镜,摆拍时
人
(选填“鞋子”或“人”)距离手机比较远,鞋子在镜头的
大于二倍
(选填“小于一倍”“一到二倍”或“大于二倍”)焦距处。

答案:9.凸 人 大于二倍
10. (2025·四川泸州二模·3分)炎炎夏季,都市气温往往比郊外要高3~5℃,这就是热岛效应,因此,人们在小区里修建人工湖、喷水池,主要是利用水的
比热容
比较大的原理来调节气温。若喷水池内有5t水,水温升高2℃吸收的热量是
$4.2 × 10^7$
J,这是通过
热传递
(选填“做功”或“热传递”)的方式改变其内能的。$[c_{水}=4.2×10^{3}\ \mathrm{J/(kg}·\mathrm{℃)}]$
答案:10.比热容 $4.2 × 10^7$ 热传递
解析:
比热容;$4.2× 10^{7}$;热传递
11. (3分)工人用如图所示的装置提升地板砖,已知该装置的托盘重100N,容量足够大,某种地板砖每块重120N,滑轮的摩擦和绳重忽略不计。质量为65kg的工人站在地面上用此装置在4s内将6块地板砖匀速提升了2m,此装置的机械效率为80%,g取10N/kg。则工人做功的功率为
450
W;工人用此装置一次最多能提升
9
块地板砖。利用该装置
不能
(选填“能”或“不能”)省功。

答案:11.450 9 不能
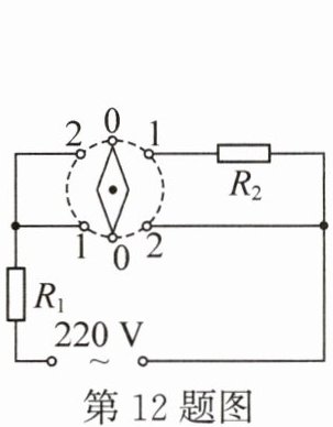
12. (2025·江苏苏州·3分)如图是一款电水壶的电路简图,$R_{1}$、$R_{2}$均为加热电阻,通过旋转旋钮开关可实现加热与保温功能的切换。保温功率为88W,$R_{1}$的阻值为44Ω,加热时应将开关旋至
2
(选填“1”或“2”)位置,加热功率为
1100
W,$R_{2}$的阻值为
506
Ω。

答案:12.2 1100 506 解析:由图可知,当开关旋至1位置时,$R_1$与$R_2$串联,此时电路中的总电阻$R_{总}=R_1+R_2$;当开关旋至2位置时,只有$R_1$接入电路,此时电路中的总电阻$R_{总}'=R_1$.$R_{总}>R_{总}'$,由$P=\frac{U^2}{R}$可知,开关旋至2位置时,电功率最大,电水壶处于加热状态.由$P=\frac{U^2}{R}$可得,加热功率$P_{加热}=\frac{U^2}{R_1}=\frac{(220V)^2}{44\Omega}=1100W$.当开关旋至1位置时,$R_1$与$R_2$串联,电水壶处于保温状态,保温功率$P_{保温}=88W$,此时电路的总电阻$R_{总}=\frac{U^2}{P_{保温}}=\frac{(220V)^2}{88W}=550\Omega$,则$R_2$的阻值$R_2=R_{总}-R_1=550\Omega-44\Omega=506\Omega$.
解析:
解:由图可知,当开关旋至1位置时,$R_1$与$R_2$串联,总电阻$R_{总}=R_1+R_2$;当开关旋至2位置时,只有$R_1$接入电路,总电阻$R_{总}'=R_1$。因为$R_{总}>R_{总}'$,由$P=\frac{U^2}{R}$可知,开关旋至2位置时电功率最大,为加热状态。
加热功率:$P_{加热}=\frac{U^2}{R_1}=\frac{(220\mathrm{V})^2}{44\Omega}=1100\mathrm{W}$。
保温时开关旋至1位置,$R_1$与$R_2$串联,总电阻$R_{总}=\frac{U^2}{P_{保温}}=\frac{(220\mathrm{V})^2}{88\mathrm{W}}=550\Omega$,则$R_2=R_{总}-R_1=550\Omega - 44\Omega=506\Omega$。
2;1100;506