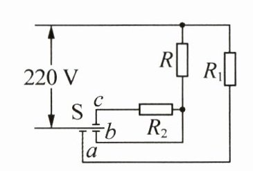
27. (12分)(2025·江苏宿迁三模)如图所示是家用电饭煲的原理图,它有加热、保温的功能。R、R₁和R₂都是发热电阻,R上标有“220V 605W”,R₁=880Ω,R₂=162Ω。加热时,按下温控开关S与a、b接触,当达到一定温度时,温控开关S自动跳接到c,使电饭煲处于保温状态。则:


(1)发热电阻R电阻为多少?
(2)若电饭煲在加热状态时的加热效率是84%,则加热状态下5min能使3kg的水温度升高多少?[c
水=4.2×10³J/(kg·℃)]
(3)电饭煲一直在额定电压下工作,煮饭需依次完成加热和保温两个过程,某次煮饭时,将该电饭煲插在智能插座(能显示时钟和消耗电能)上正常工作,煮饭前后智能插座显示的信息如表所示,则本次煮饭电饭煲在加热状态下工作的时间是多少分钟?
答案:27.(1)$80\Omega$ (2)$13.2^{\circ}C$ (3)$30min$ 解析:(1)由$P=\frac{U^{2}}{R}$可得,发热电阻R的阻值$R=\frac{U^{2}}{P_{R}}=\frac{(220V)^{2}}{605W}=80\Omega$.(2)由题意可知,加热时,按下温控开关S与a、b接触,由图可知,R与$R_{1}$并联,电饭煲的加热功率$P_{加热}=\frac{U^{2}}{R_{1}}+P_{R}=\frac{(220V)^{2}}{880\Omega}+605W = 660W$,由$P=\frac{W}{t}$可得,电饭煲消耗的电能$W = P_{加热}t = 660W×5×60s = 1.98×10^{5}J$,由$\eta=\frac{Q_{吸}}{W}×100\%$可得,水吸收的热量$Q_{吸}=\eta W = 84\%×1.98×10^{5}J = 166320J$,由$Q_{吸}=c_{水}m\Delta t$可得,水升高的温度$\Delta t=\frac{Q_{吸}}{c_{水}m}=\frac{166320J}{4.2×10^{3}J/(kg·^{\circ}C)×3kg}=13.2^{\circ}C$.(3)当达到一定温度时,温控开关S自动跳接到c,使电饭煲处于保温状态,由图甲可知,此时R、$R_{2}$串联,电路的总电阻$R_{总}=R + R_{2}=80\Omega+162\Omega=242\Omega$,电饭煲的保温功率$P_{保温}=\frac{U^{2}}{R_{总}}=\frac{(220V)^{2}}{242\Omega}=200W$,由表格数据可知,这次煮饭时间$t_{总}=11:36 - 11:00 = 36min = 2160s$,消耗的电能$W_{总}=0.350kW· h = 0.35×3.6×10^{6}J = 1.26×10^{6}J$,由$W = Pt$可得,$W_{总}=W_{1}+W_{2}=P_{加热}t'+P_{保温}(t_{总}-t')$,即$1.26×10^{6}J = 660W× t'+200W×(2160s - t')$,解得$t'=1800s = 30min$,所以本次煮饭电饭煲在加热状态下工作$30min$.
解析:
(1)由$P = \frac{U^{2}}{R}$可得,发热电阻$R$的阻值:$R=\frac{U^{2}}{P_{R}}=\frac{(220\mathrm{V})^{2}}{605\mathrm{W}} = 80\Omega$
(2)加热时,$S$与$a$、$b$接触,$R$与$R_{1}$并联,$R_{1}$的功率:$P_{1}=\frac{U^{2}}{R_{1}}=\frac{(220\mathrm{V})^{2}}{880\Omega}=55\mathrm{W}$,加热总功率:$P_{加热}=P_{R}+P_{1}=605\mathrm{W}+55\mathrm{W}=660\mathrm{W}$,$5\mathrm{min}$消耗电能:$W = P_{加热}t=660\mathrm{W}×5×60\mathrm{s}=1.98×10^{5}\mathrm{J}$,水吸收的热量:$Q_{吸}=\eta W=84\%×1.98×10^{5}\mathrm{J}=166320\mathrm{J}$,由$Q_{吸}=c_{水}m\Delta t$得:$\Delta t=\frac{Q_{吸}}{c_{水}m}=\frac{166320\mathrm{J}}{4.2×10^{3}\mathrm{J}/(\mathrm{kg}·^{\circ}\mathrm{C})×3\mathrm{kg}}=13.2^{\circ}\mathrm{C}$
(3)保温时,$S$接$c$,$R$与$R_{2}$串联,总电阻:$R_{总}=R + R_{2}=80\Omega+162\Omega=242\Omega$,保温功率:$P_{保温}=\frac{U^{2}}{R_{总}}=\frac{(220\mathrm{V})^{2}}{242\Omega}=200\mathrm{W}$,总时间:$t_{总}=11:36 - 11:00=36\mathrm{min}=2160\mathrm{s}$,总电能:$W_{总}=0.350\mathrm{kW}·\mathrm{h}=0.35×3.6×10^{6}\mathrm{J}=1.26×10^{6}\mathrm{J}$,设加热时间为$t'$,则$W_{总}=P_{加热}t'+P_{保温}(t_{总}-t')$,即$1.26×10^{6}\mathrm{J}=660\mathrm{W}× t'+200\mathrm{W}×(2160\mathrm{s}-t')$,解得$t'=1800\mathrm{s}=30\mathrm{min}$