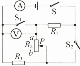
21. (2025·四川达州)如图所示,电源电压恒为U。只闭合开关S,滑片P移至a端,此时电压表示数为U₁,电流表示数为I₁,R₃消耗的电功率为P₁;滑片P移至b端,电压表示数为U₂,电流表示数为I₂,R₃消耗的电功率为P₂。开关S、S₁和S₂全部闭合,滑片P仍位于b端,R₁消耗的电功率为P₃,电流表示数为I₃。已知I₃=1.4A,P₃=3.6W,U₁∶U₂=5∶8,P₁∶P₂=25∶4。电源电压U=
6
V。滑动变阻器允许通过的最大电流为0.8A,通过控制开关和移动滑片P,电路消耗的最大功率和最小功率之比为
50:3
。

答案:21.$6$ $50:3$ 解析:只闭合开关S,滑片P移至a端,$R_{1}$和$R_{3}$串联,电压表测量$R_{3}$两端的电压,电流表测量电路中的电流,$R_{3}$消耗的电功率$P_{1}=I_{1}^{2}R_{3}$,电压表示数$U_{1}=I_{1}R_{3}$,滑片P移至b端,$R_{1}$、$R_{2}$和$R_{3}$串联,$R_{3}$消耗的电功率$P_{2}=I_{2}^{2}R_{3}$,电压表示数$U_{2}=I_{2}(R_{3}+R_{2})$,由题意可知,$\frac{P_{1}}{P_{2}}=\frac{I_{1}^{2}R_{3}}{I_{2}^{2}R_{3}}=\frac{25}{4}$,解得$\frac{I_{1}}{I_{2}}=\frac{5}{2}$ ①,$\frac{U_{1}}{U_{2}}=\frac{I_{1}R_{3}}{I_{2}(R_{3}+R_{2})}=\frac{5}{8}$ ②,由①和②得到$R_{2}=3R_{3}$ ③,由欧姆定律可得$\frac{I_{1}}{I_{2}}=\frac{\frac{U}{R_{1}+R_{3}}}{\frac{U}{R_{1}+R_{2}+R_{3}}}=\frac{5}{2}$ ④,由③和④得到$R_{1}=R_{3}$ ⑤,开关S、$S_{1}$和$S_{2}$全部闭合,滑片P仍位于b端,$R_{1}$、$R_{2}$和$R_{3}$并联,电流表测量干路电流,干路电流$I_{总}=\frac{U}{R_{1}}+\frac{U}{R_{2}}+\frac{U}{R_{3}}=1.4A$ ⑥,由③⑤⑥得到$\frac{U}{R_{1}}=0.6A$ ⑦,由题意可知此时$R_{1}$消耗的电功率$P_{3}=\frac{U^{2}}{R_{1}}=3.6W$ ⑧,由⑦和⑧得到电源电压$U = 6V$、$R_{1}=10\Omega$,所以$R_{3}=R_{1}=10\Omega$,$R_{2}$的最大阻值$R_{2}=3R_{3}=3×10\Omega=30\Omega$.开关S、$S_{1}$和$S_{2}$全部闭合时,$R_{1}$、$R_{2}$和$R_{3}$并联,滑动变阻器通过的最大电流为$0.8A$,此时干路电流最大,电路的总功率最大,最大功率$P_{大}=\frac{U^{2}}{R_{1}}+\frac{U^{2}}{R_{3}}+UI_{2大}=\frac{(6V)^{2}}{10\Omega}+\frac{(6V)^{2}}{10\Omega}+6V×0.8A = 12W$,只闭合开关S,滑片P移至b端时,$R_{1}$、$R_{2}$和$R_{3}$串联,此时电路的总电阻最大,由$P=\frac{U^{2}}{R}$可知电路的总功率最小,最小功率$P_{小}=\frac{U^{2}}{R_{1}+R_{2}+R_{3}}=\frac{(6V)^{2}}{10\Omega+30\Omega+10\Omega}=0.72W$,所以电路消耗的最大功率和最小功率之比为$P_{大}:P_{小}=12W:0.72W = 50:3$.
解析:
解:
1. 只闭合S,滑片在a端:$R_1$、$R_3$串联,$U_1=I_1R_3$,$P_1=I_1^2R_3$,$I_1=\frac{U}{R_1+R_3}$
2. 只闭合S,滑片在b端:$R_1$、$R_2$、$R_3$串联,$U_2=I_2(R_2+R_3)$,$P_2=I_2^2R_3$,$I_2=\frac{U}{R_1+R_2+R_3}$
3. 由$\frac{P_1}{P_2}=\frac{25}{4}$得:$\frac{I_1^2}{I_2^2}=\frac{25}{4}\Rightarrow\frac{I_1}{I_2}=\frac{5}{2}$
4. 由$\frac{U_1}{U_2}=\frac{5}{8}$得:$\frac{I_1R_3}{I_2(R_2+R_3)}=\frac{5}{8}$,代入$\frac{I_1}{I_2}=\frac{5}{2}$,解得$R_2=3R_3$
5. 由$\frac{I_1}{I_2}=\frac{5}{2}$及电流公式得:$\frac{R_1+R_2+R_3}{R_1+R_3}=\frac{5}{2}$,代入$R_2=3R_3$,解得$R_1=R_3$
6. S、S₁、S₂闭合,滑片在b端:$R_1$、$R_2$、$R_3$并联,$I_3=\frac{U}{R_1}+\frac{U}{R_2}+\frac{U}{R_3}=1.4\,\mathrm{A}$,$P_3=\frac{U^2}{R_1}=3.6\,\mathrm{W}$
7. 联立$R_1=R_3$、$R_2=3R_3$与$I_3$式:$\frac{U}{R_1}+\frac{U}{3R_1}+\frac{U}{R_1}=1.4\,\mathrm{A}\Rightarrow\frac{7U}{3R_1}=1.4\,\mathrm{A}\Rightarrow\frac{U}{R_1}=0.6\,\mathrm{A}$
8. 由$P_3=\frac{U^2}{R_1}=3.6\,\mathrm{W}$及$\frac{U}{R_1}=0.6\,\mathrm{A}$得:$U=6\,\mathrm{V}$,$R_1=10\,\Omega$,$R_3=10\,\Omega$,$R_2=30\,\Omega$
9. 最大功率:并联时$R_2$电流最大为$0.8\,\mathrm{A}$,$P_{\mathrm{大}}=\frac{U^2}{R_1}+\frac{U^2}{R_3}+UI_{2\mathrm{max}}=\frac{36}{10}+\frac{36}{10}+6×0.8=12\,\mathrm{W}$
10. 最小功率:串联($R_1+R_2+R_3=50\,\Omega$),$P_{\mathrm{小}}=\frac{U^2}{50}=\frac{36}{50}=0.72\,\mathrm{W}$
11. 功率比:$P_{\mathrm{大}}:P_{\mathrm{小}}=12:0.72=50:3$
6;50:3
22. 如图所示是某同学设计的监测河水流速变化的装置原理图。机翼状的探头始终浸没在水中,通过连杆带动滑动变阻器的滑片P上下移动,电源电压保持4.5V不变,电流表量程为0~0.6A,电压表量程为0~3V,定值电阻R₁阻值为5Ω,滑动变阻器R₂的规格为“15Ω 1A”。闭合开关S,当水流速度增大时,电压表的示数
变小
(选填“变大”“变小”或“不变”);随着水流速度的改变,滑动变阻器允许接入电路的阻值范围为
2.5~10
Ω;电路消耗总电功率的变化范围为
1.35~2.7
W。

答案:22.变小 $2.5∼10$ $1.35∼2.7$ 解析:由图可知,$R_{1}$与$R_{2}$串联,电压表测$R_{2}$两端的电压,电流表测电路中的电流.当水流速度增大时,机翼状的探头下表面与上表面受到的压强差变大,探头向上运动,则$R_{2}$的滑片上移,接入电路的阻值变小,由串联分压可知,$R_{2}$两端的电压变小,即电压表示数变小.假设滑动变阻器接入电路的阻值为零,则电路中的电流$I=\frac{U}{R_{1}}=\frac{4.5V}{5\Omega}=0.9A$,电流表的量程为$0∼0.6A$,可知电路中的最大电流$I_{max}=0.6A$,此时滑动变阻器接入电路的阻值最小,电路的最大功率$P_{max}=UI_{max}=4.5V×0.6A = 2.7W$,此时电路的总电阻$R_{min}=\frac{U}{I_{max}}=\frac{4.5V}{0.6A}=7.5\Omega$,则滑动变阻器接入电路的最小阻值$R_{2min}=R_{min}-R_{1}=7.5\Omega - 5\Omega=2.5\Omega$;当电压表示数最大为$U_{2}=3V$时,滑动变阻器接入电路的阻值最大,电路中的电流最小,此时$R_{1}$两端的电压$U_{1}=U - U_{2}=4.5V - 3V=1.5V$,则电路中的最小电流$I_{min}=\frac{U_{1}}{R_{1}}=\frac{1.5V}{5\Omega}=0.3A$,电路的最小功率$P_{min}=UI_{min}=4.5V×0.3A = 1.35W$,则滑动变阻器接入电路的最大阻值$R_{2max}=\frac{U_{2}}{I_{min}}=\frac{3V}{0.3A}=10\Omega<15\Omega$.所以,滑动变阻器允许接入电路的阻值范围为$2.5∼10\Omega$,电路消耗总电功率的变化范围为$1.35∼2.7W$.
解析:
变小;$2.5∼10$;$1.35∼2.7$
解:由图知,$R_{1}$与$R_{2}$串联,电压表测$R_{2}$两端电压,电流表测电路电流。
1. 水流速度增大时,探头受压强差变大上移,$R_{2}$接入电阻变小,串联分压得$R_{2}$电压变小,电压表示数变小。
2. 电路最大电流$I_{\mathrm{max}}=0.6\,\mathrm{A}$(电流表量程),总电阻$R_{\mathrm{总min}}=\frac{U}{I_{\mathrm{max}}}=\frac{4.5\,\mathrm{V}}{0.6\,\mathrm{A}}=7.5\,\Omega$,$R_{2\mathrm{min}}=R_{\mathrm{总min}}-R_{1}=7.5\,\Omega-5\,\Omega=2.5\,\Omega$。
3. 电压表最大示数$U_{2\mathrm{max}}=3\,\mathrm{V}$,$R_{1}$电压$U_{1}=U-U_{2\mathrm{max}}=1.5\,\mathrm{V}$,最小电流$I_{\mathrm{min}}=\frac{U_{1}}{R_{1}}=\frac{1.5\,\mathrm{V}}{5\,\Omega}=0.3\,\mathrm{A}$,$R_{2\mathrm{max}}=\frac{U_{2\mathrm{max}}}{I_{\mathrm{min}}}=\frac{3\,\mathrm{V}}{0.3\,\mathrm{A}}=10\,\Omega$。
4. 最大功率$P_{\mathrm{max}}=UI_{\mathrm{max}}=4.5\,\mathrm{V}×0.6\,\mathrm{A}=2.7\,\mathrm{W}$,最小功率$P_{\mathrm{min}}=UI_{\mathrm{min}}=4.5\,\mathrm{V}×0.3\,\mathrm{A}=1.35\,\mathrm{W}$。
综上,滑动变阻器阻值范围$2.5∼10\,\Omega$,电路总功率范围$1.35∼2.7\,\mathrm{W}$。
23. (6分)按要求作图。
(1)如图甲所示是小明家的部分家庭电路,请在括号内标出火线和零线,并将拉线开关控制的灯泡连入电路中。
(2)如图乙所示,小磁针左侧为通电螺线管,右侧为条形磁体,请根据小磁针的N极指向,标出条形磁体的磁极,并用箭头标出磁感线的方向和螺线管中的电流方向。

答案:23.(1)如图所示

(2)如图所示

24. (8分)小明在做“探究电流通过导体时产生的热量与什么因素有关”的实验时,采用了如图所示的实验装置。(两个透明容器中封闭着等量气体)
(1)如图所示是探究电流产生的热量与
电流
的关系,通电一段时间后,
左
(选填“左”或“右”)侧U形管中液面高度差大,则说明该侧容器内的电阻丝产生的热量多,这种实验方法叫
转换法
;下面实例中不是应用这种方法的是
A
。
A. 用磁感线方便形象地描述磁场的分布
B. 在研究磁场是否存在时,通过观察小磁针放入是否发生偏转
C. 在探究物质吸热能力的实验中,通过比较加热时间来间接反映物质吸收的热量
(2)让该实验装置冷却到初始状态,把右侧并联的两根电阻丝都放入容器内,接通电源比较两容器内电阻丝发热多少。此时该装置
能
(选填“能”或“不能”)探究电流产生的热量与电阻的关系。

答案:24.(1)电流 左 转换法 A (2)能