27. (10分)学习小组想探究“通电导体在磁场中受力大小与导体在磁场中长度的关系”。
【实验目的】探究通电导体在磁场中受力大小与导体在磁场中长度的关系。
【实验器材】边长不同的矩形线圈2个、蹄形磁体、弹簧测力计、电源、导线、开关。
【实验步骤】
(1)如图所示,用弹簧测力计测量矩形线圈a的重力G₁,再将a放入磁场中,通电后,弹簧测力计示数变为F₁。发现F₁小于G₁,则磁场对线圈a作用力的方向是
竖直向上
。
(2)换用矩形线圈b,重复步骤(1),每次实验时AB边在磁场中的
位置
相同,记录线圈b受到的重力G₂和拉力值F₂。应比较
G₁ - F₁
(用已知物理量的符号表示,下同)和
G₂ - F₂
的关系,得出结论。
(3)某次实验时,发现弹簧测力计的示数比该矩形线圈的重力大,你觉得可能的原因是
磁场方向发生改变(或电流方向发生改变)
。

答案:27.(1)竖直向上 (2)位置 G₁ - F₁ G₂ - F₂ (3)磁场方向发生改变(或电流方向发生改变) 解析:(1)用弹簧测力计测量矩形线圈a的重力G₁,再将a放入磁场中,通电后,弹簧测力计示数变为F₁.发现F₁小于G₁,则可判断磁场对线圈a有一竖直向上的力F,此时的磁场力F=G₁ - F₁.(2)探究通电导体在磁场中受力大小与导体在磁场中长度的关系,需保证线圈在磁场中的位置不变,改变线圈的长度.换用矩形线圈b,记录线圈b受到的重力G₂和拉力值F₂,此时的磁场力F'=G₂ - F₂;比较G₁ - F₁与G₂ - F₂的大小关系,得出结论.(3)通电导体在磁场中受力的方向与磁场方向和电流方向有关.当电流方向或磁场方向改变时,通电导体的受力方向将会发生改变,使得弹簧测力计的示数等于线圈重力与磁场力之和,此时弹簧测力计示数比该矩形线圈的重力大.
解析:
(1)竖直向上
(2)位置;$G_{1}-F_{1}$;$G_{2}-F_{2}$
(3)磁场方向发生改变(或电流方向发生改变)
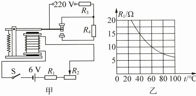
28. (9分)(2025·陕西西安模拟)如图甲是某自动控温电热水器的电路图,其中控制电路电压恒为6V,R₁为热敏电阻,其产生的热量对水箱中水温的影响忽略不计,R₁阻值随温度变化的关系如图乙所示,R₂为可调电阻,用来设定电热水器的水温。R₃、R₄为纯电
热丝,均置于水箱中,R₃=22Ω;电磁铁线圈电阻忽略不计,当电磁铁线圈中电流达到0.2A时,衔铁被吸下来。工作过程中,电源电压均保持不变,请回答下列问题。
(1)控制电路中,电磁铁的工作原理是电流的
磁
效应;电磁铁的上端是
S
极。
(2)加热状态下,电热丝R₃的功率为多少?
(3)如果将电热水器水温设为60℃,R₂的阻值应该调至多少?
(4)保温状态下,R₃的功率为88W,则工作电路30s消耗的电能是多少?

答案:28.(1)磁 S (2)2200W (3)20Ω (4)13200J 解析:(1)电磁铁的工作原理是电流的磁效应;由图甲可知,电流从电磁铁的上端流入、下端流出,由安培定则可知,电磁铁的下端是N极、上端是S极.(2)加热时电热丝R₃的功率P加热=U²/R₃=(220V)²/22Ω = 2200W.(3)控制电路的总电阻R=U控制/I控制=6V/0.2A = 30Ω,如果将电热水器水温设为60℃,由图乙知此时R₁=10Ω,R₂的阻值应该调至R₂=R - R₁=30Ω - 10Ω = 20Ω.(4)保温状态下,动触点与下方静触点接通,由图甲可知,R₃与R₄串联在电路中,此时R₃的功率为88W,由P=I²R可知,电路中的电流I=√(P₃/R₃)=√(88W/22Ω)=2A,则工作电路30s消耗的电能W=UIt=220V×2A×30s = 13200J.
解析:
(1)磁;S
(2)解:加热状态下,只有$R_3$接入工作电路,
$P_{3}=\frac{U^{2}}{R_{3}}=\frac{(220\,\mathrm{V})^{2}}{22\,\Omega}=2200\,\mathrm{W}$
(3)解:控制电路总电阻$R_{\mathrm{总}}=\frac{U_{\mathrm{控}}}{I}=\frac{6\,\mathrm{V}}{0.2\,\mathrm{A}}=30\,\Omega$,
由图乙知,$60°\mathrm{C}$时$R_1=10\,\Omega$,
$R_2=R_{\mathrm{总}}-R_1=30\,\Omega-10\,\Omega=20\,\Omega$
(4)解:保温时$R_3$与$R_4$串联,
由$P=I^{2}R$得$I=\sqrt{\frac{P_{3}}{R_{3}}}=\sqrt{\frac{88\,\mathrm{W}}{22\,\Omega}}=2\,\mathrm{A}$,
$W=UIt=220\,\mathrm{V}×2\,\mathrm{A}×30\,\mathrm{s}=13200\,\mathrm{J}$