1. 下列四个装置中不属于电磁铁应用的是(
A
)
A.指南针
B.电磁起重机
C.电铃
D.电磁选矿机
答案:1.A
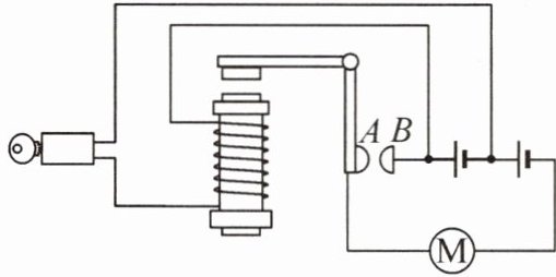
2. 如图是汽车启动原理图,汽车启动时需将钥匙插入钥匙孔并旋转(相当于闭合开关)。下列说法错误的是(
D
)

A.闭合开关时,电磁铁产生磁性
B.电磁铁通电时,吸引上方的衔铁,触点A、B接触,汽车启动
C.电动机工作时,电磁铁的上端为N极
D.电动机的工作电压与电磁铁的工作电压相同
答案:2.D
3. 如图所示电路,开关S接a时,电磁铁左端为
N
极,小磁针静止时,A端是
N
极;将开关S由a拨到b,调节滑动变阻器,使电流表示数不变,则电磁铁的磁性
减弱
(选填“增强”“减弱”或“不变”)。

答案:3.N N 减弱 解析:由图及安培定则可知,电磁铁的左端为N极、右端为S极,所以小磁针静止时A端是N极.将开关S由a拨到b,保持电流表示数不变,即
电磁铁线圈的匝数减少,通过线圈的电流大小不变,所以电磁铁的磁性减弱.
方法归纳:
电磁铁的磁性强弱与线圈中的电流大小和线圈匝数有关,这里的线圈匝数指的是接入电路中的线圈匝数.线圈中电流大小一定时,线圈匝数越多,电磁铁磁性越强;线圈匝数一定时,线圈中电流越大,电磁铁磁性越强.
4. (2025·山东济南二模)暴雨后立交桥下积水较深很不安全,物理学习小组为此设计了一个积水自动报警器,其原理图如图所示。图中A、B位置可以安装电铃或LED灯,要求地面没有积水时,LED灯亮,地面积水较深时,电铃响。根据设计要求,电铃应该安装在图中的
B
位置。电磁继电器实质是一种
开关
(选填“用电器”或“开关”)。

答案:4.B 开关
5. (2025·福建一模)限流开关(俗称空开)是家庭电路中重要的元件,如图是它的简化原理图,当电路电流太大时,铁芯与衔铁相互吸引,带动触点a向上运动,断开电路。下列说法正确的是(
D
)

A.衔铁一般用铝来制作
B.只有电路中出现短路时,限流开关才会断开
C.当线圈中电流方向向下时,螺线管下端为N极
D.增加线圈匝数可以使开关允许通过的最大电流值减小
答案:5.D
6. 如图是小明利用光敏电阻为居民楼门口设计的一种智能照明电路,L为“220V 22W”的照明灯,天暗时自动发光,天亮时自动熄灭。控制电路电源电压不变,R₁为定值电阻,R₂为光敏电阻,其阻值会随着光照强度的变化而变化。下列说法不正确的是(
C
)

A.受控电路中,导线a端应连接照明电路的火线
B.光敏电阻的阻值随光照强度的增大而减小
C.如果提高控制电路电源电压,照明灯白天也可能发光
D.当光照强度增大时,控制电路的总功率将增大
答案:6.C 解析:家庭电路中,控制照明灯的开关应接在火线上,所以受控电路中导线a端应连接照明电路的火线,故A正确;照明灯天暗时自动发光,说明此时受控电路闭合,衔铁被释放,所以光照强度减小时电磁铁的磁性减弱,控制电路中的电流减小,则电路的总电阻增大,说明光敏电阻的阻值增大,反之,光照强度增大时光敏电阻的阻值减小,故B正确;如果提高控制电路电源电压,同样为天刚亮时,控制电路总电阻大小不变,则控制电路中的电流增大,电磁铁磁性增强,衔铁已提前被吸下,所以照明灯L白天一定不发光,故C不正确;由B分析可知,光照强度增大时,光敏电阻的阻值减小,则控制电路中的电流增大,控制电路电源电压不变,由P=UI可知,控制电路的总功率将增大,故D正确.
易错警示:
通常情况下,电磁继电器的电磁铁恰好吸引衔铁时,电磁铁线圈中的电流大小是一定的,当控制电路的电源电压增大时,电磁铁在光敏电阻阻值较大,即光线较弱时就会吸引衔铁,使照明灯更晚亮起、更早熄灭.