1. (2025·北京月考)关于电流的磁场,下面说法错误的是 (
B
)
A.通电导线周围存在磁场
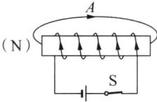
B.磁体周围的磁场方向是由小磁针决定的
C.通电螺线管的磁性强弱与通过它的电流大小有关
D.通电螺线管断电时,磁性就会消失
答案:1. B
2. 将小磁针放置在通电螺线管右侧,小磁针静止时,其N极的指向如图所示.下列说法正确的是 (
B
)

A.电流从导线的A端流入、B端流出
B.通电螺线管的左端为N极
C.通电螺线管周围真实存在磁感线
D.改变导线中的电流方向,通电螺线管的磁性强弱会改变
答案:2. B
解析:
解:
小磁针静止时N极指向右侧,根据磁极间相互作用规律(同名磁极相互排斥,异名磁极相互吸引),通电螺线管右端为S极,左端为N极,故B正确;
由安培定则(右手握住螺线管,四指指向电流方向,大拇指指向N极),螺线管左端为N极,则电流从B端流入、A端流出,A错误;
磁感线是为描述磁场而引入的假想曲线,并非真实存在,C错误;
改变电流方向仅改变螺线管磁极方向,磁性强弱与电流大小、线圈匝数等有关,D错误。
答案:B
3. (2025·四川成都期末)丹麦物理学家
奥斯特
(填人名)是世界上第一个发现电与磁之间联系的人;如图是他所做实验的示意图,图甲和图丙对照说明:电流的磁场方向与
电流方向
有关.

]
答案:3. 奥斯特 电流方向
4. 新趋势
情境素材 2025年4月24日23时49分,神舟二十号载人飞船成功对接于空间站天和核心舱径向端口.当载人飞船和核心舱相互靠近时,为减缓撞击带来的影响,载人飞船与核心舱间需配置缓冲装置.“飞天”兴趣小组根据以上信息结合物理知识,设计了如图所示的缓冲装置简化图.当条形磁体和通电螺线管靠近时,产生相互排斥的力,说明通电螺线管左端为
N
极,为增大排斥力,滑动变阻器的滑片应向
A
端滑动.

答案:4. N A
5. 按要求作图.
(1) (2025·青海)在图甲的括号内标出通电螺线管的极性,并在A点处用箭头标出磁感线的方向.

(2) 如图乙所示,小磁针静止在两个通电螺线管之间,N极竖直向下.请你在图a中标出电源的“+”“-”极,并画出图b中通电螺线管的绕线.

]
答案:5. (1) 如图所示
(2) 如图所示

6. 在地球赤道上空某处有一小磁针处于水平静止状态,突然发现该小磁针的N极向东偏转,可能是 (
D
)
A.小磁针正西方向有一条形磁铁的S极靠近小磁针
B.小磁针正北方向有一条形磁铁的S极靠近小磁针
C.小磁针正上方有电子流自东向西水平通过
D.小磁针正上方有电子流自南向北水平通过
答案:6. D 解析:地球赤道上空某处有一小磁针处于水平静止状态,此时小磁针的 N 极指北。若小磁针正西方向有一条形磁铁的 S 极靠近小磁针,则小磁针的 N 极会向西偏转,故 A 不可能;若小磁针正北方向有一条形磁铁的 S 极靠近小磁针,则小磁针 N 极的方向不会改变,故 B 不可能;若小磁针正上方有电子流自东向西水平通过(相当于电流方向为自西向东的通电直导线),电子流的周围有磁场,在小磁针处磁场的方向与地磁场的方向相同,所以小磁针 N 极的方向不会改变,故 C 不可能;若小磁针正上方有电子流自南向北水平通过(相当于电流方向为自北向南的通电直导线),电子流在小磁针处磁场的方向为自西向东,所以小磁针的 N 极向东偏转,故 D 可能。
易错警示
电子定向移动的方向与电流的方向相反,电子流的周围也存在磁场,它的磁感线是以电子流为中心的一系列同心圆,磁场的方向与对应电流的磁场方向相同。