搜 索
首 页
练习与测试答案
补充习题答案
课课练答案
同步练习答案
阅读答案
电子课本
更多
其他答案
课件下载
试卷练习
教学反思
说课稿
录音下载
教案下载
作文范例
简笔画下载
教学视频
语文知识
班主任资料
教材
其他资料
零五网
›
全部参考答案
›
亮点给力提优课时作业本答案
›
2026年亮点给力提优课时作业本九年级物理下册苏科版 第39页解析答案
16. (2025·湖南)下列关于家庭电路的说法正确的是(
B
)
A.我国家庭电路的电压是 $ 36 $ V
B.进户线上的总开关能控制整个家庭电路
C.电能表表盘的示数是用电器的实际功率
D.各个用电器能够独立工作是因为用电器之间是串联的
答案:
16.B
17. (2025·青海)关于安全用电,下列做法错误的是(
D
)
A.出门时要拔掉电热毯的插头
B.电热水壶不能紧靠插线板烧水
C.更换灯泡时,先切断电路
D.私拉电线给电瓶车充电
答案:
17.D
18. (2025·江苏南通期末)如图所示的家庭电路,两虚线框中连入了电灯和开关,则方框
乙
中为开关;闭合开关后,若电灯发光,使用测电笔接触 $ a $、$ b $、$ c $、$ d $ 四点时,氖管发光的点有:
a、b
;若发现电灯不亮,使用测电笔接触 $ a $、$ b $、$ c $ 三点时测电笔的氖管均发光,接触 $ d $ 点时测电笔的氖管不发光,则该电路的故障为
cd段发生断路
。
]
答案:
18.乙 a、b cd段发生断路
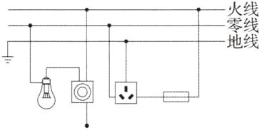
19. 如图所示为某家庭电路的部分示意图,请将各元件正确接入电路(要求:开关只控制电灯,三孔插座自带熔断器)。
答案:
19.如图所示
上一页
下一页