13. 新趋势
情境素材如图所示,有居民将电线插座从窗口悬挂至室外,给电瓶车充电。这种“飞线”充电方式存在安全隐患:① 夜晚气温下降,空气中的水蒸气
液化
(填物态变化名称)成小水珠附着在插座内部,含有杂质的液态水会导致电路
短路
;② 悬挂于室外的电线与窗台、外墙等摩擦,会导致绝缘皮破损,人体接触
火
线绝缘皮破损处,导致触电事故。

答案:13.液化 短路 火
14. 如图是小明研究“短路引起熔丝熔断”的实验装置,他增加一根导线,并将此导线接在
BD
(选填“$AC$”“$BC$”或“$BD$”)两点间,闭合开关,造成短路,可引起熔丝熔断;熔丝熔断前,导线 $AB$ 中的电流
等于
(选填“大于”“等于”或“小于”)熔丝 $CD$ 中的电流。

答案:14.BD 等于 解析:由图及题意可知,增加一根导线后,闭合开关,电流不经过小灯泡,会造成短路,且电流通过熔丝,所以应将此导线接在BD两点间;熔丝熔断前,导线AB与熔丝CD串联,由串联电路的电流规律可知,导线AB中的电流等于熔丝CD中的电流。
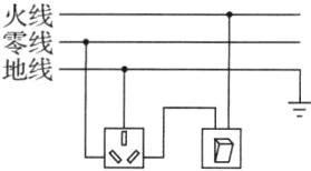
15. (2025·广东深圳)金辉同学若通过三孔插座给机器人充电,插座由单独的开关控制。请在图中用笔画线表示导线将三孔插座和开关连接在家庭电路中。

答案:15.如图所示

16. (2025·河南许昌期末)在新建的楼房里,控制插座的总开关上大多装有漏电保护器,漏电保护器和空气开关的作用
不同
(选填“相同”或“不同”);如果站在地上的人不小心接触了火线,这时
漏电保护器
(选填“空气开关”或“漏电保护器”)会迅速切断电流,对人身起到保护作用。
答案:16.不同 漏电保护器 解析:空气开关在电路电流过大,即电路总功率过大或发生短路时,切断电路;漏电保护器在火线电流比零线电流大时切断电路,即电路的某个地方可能接地漏电,电流从大地导走了,所以漏电保护器和空气开关的作用是不同的.人体接触火线,电流经人体流向大地,造成了漏电,漏电保护器会迅速切断电路,由于人的电阻较大,不会造成电路中电流过大,空气开关不会切断电路.
17. 现代家庭电气化程度越来越高,用电安全是一个十分突出的问题。如表提供了一组人体电阻数据。如图所示,用电器 $R$ 接在电压为 $220\ \mathrm{V}$ 的电源上时,消耗电功率是 $1100\ \mathrm{W}$,电路中还有额定电流为 $10\ \mathrm{A}$ 的熔丝。则:


(1)只有用电器 $R$ 接入电路时,通过熔丝的电流为
5
$\mathrm{A}$。
(2)如图所示,一个身上潮湿的人,赤脚站在地上,由于不小心,手接触火线,发生触电事故,则通过人体的电流是
0.025
$\mathrm{A}$。(如表电阻数据适用此人)
(3)熔丝是由
电阻率
大、熔点低的铅锑合金制成。熔丝应该串联在
火
线上。如图所示,熔丝不会“救”人命的原因是
通过人体的电流远小于熔丝熔断电流,人已触电,但熔丝未断
。
(4)针对表格中的数据,生活中用电应该注意:
不用湿手去接触通电的用电器和导线
。
答案:17.(1)5 (2)0.025 (3)电阻率 火 通过人体的电流远小于熔丝熔断电流,人已触电,但熔丝未断
(4)不用湿手去接触通电的用电器和导线
解析:(1)由P=UI可得,通过熔丝的电流I=$\frac{P}{U}$=$\frac{1100W}{220V}$=5A。(2)由表中数据可知,潮湿时手与脚之间的电阻R'=8.8kΩ=8800Ω,则通过人体的电流I'=$\frac{U}{R'}$=$\frac{220V}{8800Ω}$=0.025A。(3)熔丝是利用电流的热效应来工作的,当熔丝的温度升高到某一温度时,自身熔断,并切断电路,从而起到保护电路安全运行的作用,因此熔丝需要用电阻率大、熔点低的铅锑合金制作;熔丝需串联在火线上,当电流过大时,熔丝熔断,使家庭电路不带电,可以防止触电事故的发生。由(2)可知,发生触电时,通过人体的电流远小于熔丝的熔断电流(10A),即人已触电,但熔丝未断,所以熔丝不会“救”人命。(4)由表可知,人体干燥时的电阻比潮湿时的电阻大得多,生活中不用湿手去接触通电的用电器和导线,以防止触电事故的发生。