7. (2025·河南焦作二模)如图所示的家庭电路中,开关闭合后,保险丝因电流过大而熔断。甲、乙两图产生电流过大的原因是不同的,甲图中的原因是
用电器总功率过大
;乙图中的原因是
短路
。当电流过大时,保险丝熔断保护电路,这是利用了电流的
热效应
。

答案:7.用电器总功率过大 短路 热效应
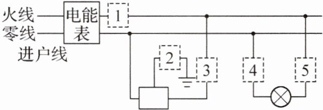
8. (2025·山东济南一模)小张在家庭电路图中设置了五处开关(如图所示)。小金觉得该电路设计不合理,因为有几处开关必须处于常闭状态,所以无需设置,这几处开关是(
B
)

A.$1$、$2$
B.$2$、$4$
C.$1$、$4$
D.$3$、$5$
答案:8.B
解析:
解:家庭电路中,总开关应接在电能表之后,控制整个电路的通断,开关1合理;开关2接在零线与用电器之间,若断开会使用电器仍与火线相连,存在安全隐患,必须常闭;开关3为地线开关,地线应始终接地,开关3必须常闭;开关4与灯泡串联接在零线中,断开时灯泡仍带电,应接在火线中,此处开关4必须常闭;开关5接在火线与灯泡之间,控制灯泡通断,合理。故必须常闭无需设置的开关是2、4。
B
9. (2025·内蒙古)小智发现奶奶家墙上的两孔插座烧坏了,他更换新插座的过程包括五个环节:① 断开总开关;② 将新插座装回墙上;③ 拆下旧插座;④ 闭合总开关;⑤ 将电线按“左零右火”接入新插座的接线柱上。下列操作顺序符合安全用电原则的是(
B
)
A.①③④⑤②
B.①③⑤②④
C.③⑤①②④
D.③⑤②①④
答案:9.B
10. 如图,某家庭电路的输电线甲、乙从右端进户。闭合开关 $S$,$\mathrm{LED}$ 灯发光、电风扇正常工作,用测电笔检测插座,只有检测右孔时氖管发光。由于出现故障,电风扇停止工作,$\mathrm{LED}$ 灯仍发光,用测电笔检测插座两孔,氖管均发光。该故障是(
D
)

A.电风扇短路
B.插座两孔短路
C.输电线甲 $a$、$b$ 两点之间断路
D.输电线甲 $b$、$c$ 两点之间断路
答案:10.D
解析:
解:闭合开关$S$,初始状态LED灯发光、电风扇正常工作,插座右孔氖管发光,左孔不发光,说明此时电路正常,甲为火线,乙为零线。
故障后,电风扇停止工作,LED灯仍发光,说明LED灯所在支路正常,故障在电风扇支路或干路。用测电笔检测插座两孔氖管均发光,表明插座左孔(接零线)带电,即零线断路。LED灯能发光,说明其与火线、零线构成通路,故零线断路点在电风扇与LED灯之间的乙线上,即输电线乙$b$、$c$两点之间断路(题目选项中“输电线甲”应为“输电线乙”,按选项表述选D)。
D
11. 如图所示,甲地的电站以恒定电压 $U$ 给乙地的 $A$、$B$ 两盏灯供电,输电线路的电阻不能忽略。下列说法正确的是(
D
)

A.为节约成本,入户处的保险丝也可以用铜丝来代替
B.同时工作的灯泡数量越多,灯丝两端的电压会越大
C.开关都闭合,当 $A$ 灯短路时,会烧坏保险丝和 $B$ 灯
D.同时工作的灯泡数量越多,输电线的发热功率越大
答案:11.D 解析:保险丝常用铅锑合金制成,是因为该材料电阻率大、熔点较低,不能用电阻率小、熔点高的铜丝代替,故A错误;家庭电路中的灯泡是并联的,同时工作的灯泡数量越多,则并联部分的电阻越小,输电线路的电阻不能忽略,由串联分压可知,并联部分两端的电压越小,即灯丝两端的电压越小,故B错误;开关都闭合,当A灯短路时,B灯也会被短路,没有电流经过,B灯不会烧坏,由于干路中的电流过大,会烧坏保险丝,故C错误;同时工作的灯泡数量越多,总功率越大,由P=UI可知,干路中的电流越大,由P=I²R可知,输电线的发热功率越大,故D 正确。
12. 如图甲所示是小刚家的一个插座,小刚用测电笔接触插座 $A$ 孔,氖管发光,乙图是一个台灯的电路示意图,当把台灯接入电路时,为了安全,应将台灯插头的
D
(选填“$C$”或“$D$”)插脚插入 $A$ 孔。丙图是两种墙壁开关,其按钮可绕面板内转动,根据你的生活经验,
A
(选填“$A$”或“$B$”)型较易损坏。

答案:12.D A