搜 索
首 页
练习与测试答案
补充习题答案
课课练答案
同步练习答案
阅读答案
电子课本
更多
其他答案
课件下载
试卷练习
教学反思
说课稿
录音下载
教案下载
作文范例
简笔画下载
教学视频
语文知识
班主任资料
教材
其他资料
零五网
›
全部参考答案
›
同步练习答案
›
2026年同步练习江苏九年级物理下册苏科版 第108页解析答案
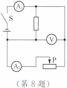
8. 如图所示,电源电压恒定,闭合开关,将滑动变阻器的滑片$P$从中点向左滑动。下列说法中正确的是(
C
)。
A.电流表$A_1$的示数变大
B.电压表$V$的示数变大
C.电流表$A_1$与电流表$A_2$示数的差不变
D.电压表$V$与电流表$A_2$示数的比值变小
答案:
8.C
解析:
展开
解:由图可知,定值电阻与滑动变阻器并联,电压表测电源电压,电流表$A_1$测干路电流,电流表$A_2$测滑动变阻器支路电流。
电源电压恒定,电压表$V$示数不变,B错误。
滑片$P$向左滑动,滑动变阻器接入电阻变大,由$I=\frac{U}{R}$,滑动变阻器支路电流$I_2$变小,即$A_2$示数变小。
定值电阻支路电流$I_定=\frac{U}{R_定}$不变,干路电流$I_1=I_定+I_2$,$I_2$变小,$I_1$变小,A错误。
$A_1$与$A_2$示数差为$I_1 - I_2 = I_定$,$I_定$不变,C正确。
电压表$V$与$A_2$示数比值为滑动变阻器接入电阻,电阻变大,比值变大,D错误。
答案:C
9. 电梯超载容易引发安全隐患,其超载报警电路简图如图所示。电源电压恒定,$R_0$为保护电阻,$R$为压敏电阻,其阻值大小随电梯内压力增大而减小,电流表的示数超过临界值就会自动报警。电梯正常工作,当有人进入电梯后,则(
C
)。
A.电流表示数减小
B.电压表示数增大
C.电压表与电流表示数之比减小
D.因为$R_0$是定值电阻,所以它的电压和电流不变
答案:
9.C
解析:
展开
解:由图知,$R_0$与$R$串联,电压表测$R$两端电压,电流表测电路电流。
有人进入电梯,压力增大,$R$阻值减小,总电阻$R_{总}=R_0 + R$减小。
电源电压$U$恒定,由$I = \frac{U}{R_{总}}$得,电流表示数$I$增大,A错误。
$R_0$两端电压$U_0 = IR_0$,$I$增大,$U_0$增大,$R$两端电压$U_R = U - U_0$减小,电压表示数减小,B错误。
电压表与电流表示数之比为$R$的阻值,$R$减小,该比值减小,C正确。
$R_0$电流增大,电压增大,D错误。
结论:C
10. 如图所示,酸甜多汁的水果提供的电能点亮了发光二极管,其中水果相当于电路中的
电源
。如果其中一个二极管熄灭,其他二极管依然发光,说明熄灭的二极管与其他二极管是
并联
(串联/并联)的。
答案:
10.电源 并联
11. 如图所示是测量油箱内油量的装置,其中$R$是滑动变阻器的电阻片,$AP$是轻质滑杆,且$AO > OP$,$P$是滑杆上可沿电阻片滑动的滑片,$R_0$是定值电阻。油量减少时,浮标通过连杆带动滑杆绕$O$点转动,使滑片$P$在$R$上滑动。
(1)电路中的油量表相当于一只
电流表
(电流表/电压表/电能表)。
(2)浮标下降时,连杆对滑杆$AP$施加动力$F_1$,此时滑杆是
省力
(省力/费力/省功)杠杆,油量表示数
变小
(变大/变小/不变)。
答案:
11.(1)电流表 (2)省力 变小
12. 如图所示,电源电压恒定,灯泡$L_1$、$L_2$完全相同。闭合开关$S_1$,断开$S_2$、$S_3$,灯泡$L_1$、$L_2$是
串
联的。闭合开关$S_1$、$S_2$,断开$S_3$,电压表示数为$U_1$;闭合开关$S_1$、$S_3$,断开$S_2$,电压表示数为$U_2$,则$U_1:U_2 = $
2:1
。
答案:
12.串 2:1
解析:
展开
串;$2:1$
上一页
下一页