零五网 全部参考答案 伴你学答案 2026年伴你学江苏九年级物理下册苏科版 第17页解析答案
1. 小明利用电能表测量某家用电器的电功率。当电路中只有这个用电器工作时,测得它在$15\ \min$内消耗电能$0.3\ kW· h$,这个用电器可能是
(
A
)

A.电饭锅
B.电扇
C.电视机
D.白炽灯
答案:1. A
解析:
已知用电器工作时间$t = 15\ \min=\frac{15}{60}\ h = 0.25\ h$,消耗电能$W=0.3\ kW· h$。根据电功率公式$P = \frac{W}{t}$,可得$P=\frac{0.3\ kW· h}{0.25\ h}=1.2\ kW = 1200\ W$。选项中电饭锅功率约为$1000 - 1500\ W$,电扇约$50\ W$,电视机约$100\ W$,白炽灯约$40 - 100\ W$,故该用电器可能是电饭锅。
A
2. 如图所示,电源电压保持不变,$R$为定值电阻,在a、b两接线柱上接一个标有“$6\ V\ 2\ W$”字样的灯泡,闭合开关S,灯泡恰好正常发光;若在a、b两接线柱间接上一个标有“$6\ V\ 3\ W$”字样的灯泡,闭合开关S后,这个灯泡的功率将
(
A
)

A.小于$3\ W$
B.大于$3\ W$
C.等于$3\ W$
D.不能确定
答案:2. A
解析:
解:
1. 计算两灯泡电阻:
灯1:$R_{1}=\frac{U_{额1}^{2}}{P_{额1}}=\frac{(6\ V)^{2}}{2\ W}=18\ \Omega$
灯2:$R_{2}=\frac{U_{额2}^{2}}{P_{额2}}=\frac{(6\ V)^{2}}{3\ W}=12\ \Omega$
2. 灯1正常发光时,电源电压$U=U_{1}+IR=6\ V+IR$($I=\frac{6\ V}{18\ \Omega}=\frac{1}{3}\ A$)
3. 接灯2时,总电阻减小,电流$I'=\frac{U}{R+R_{2}}>\frac{U}{R+R_{1}}=I$,则$U_{2}=I'R_{2}$。因$R_{2}<R_{1}$,且总电压不变,$U_{2}<6\ V$
4. 灯2实际功率$P_{2}=\frac{U_{2}^{2}}{R_{2}}<\frac{(6\ V)^{2}}{12\ \Omega}=3\ W$
A
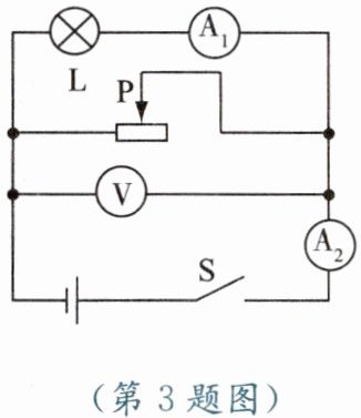
3. 如图所示,电源电压保持不变,闭合开关后,灯泡L能够发光。当滑动变阻器滑片P向右滑动时,下列说法中正确的是
(
D
)

A.灯泡L变亮,电压表$ V$的示数变大
B.灯泡L变暗,电压表$ V$的示数变小
C.电流表$ A_1$的示数变大,电流表$ A_2$的示数变小
D.灯泡L亮度不变,电流表$ A_2$的示数变小
答案:3. D
解析:
解:由电路图可知,灯泡L与滑动变阻器并联,电压表测电源电压,电流表$A_1$测L支路电流,$A_2$测干路电流。
电源电压不变,电压表示数不变。
并联电路各支路独立工作,L电阻不变,由$I=\frac{U}{R}$得,$A_1$示数不变,L亮度不变。
滑片P右滑,变阻器接入电阻变大,由$I=\frac{U}{R}$得,变阻器支路电流变小。
干路电流等于各支路电流之和,故$A_2$示数变小。
结论:D
4. 把标有“$12\ V\ 12\ W$”字样的灯泡$ L_1$和标有“$12\ V\ 6\ W$”字样的灯泡$ L_2$串联后接在电源电压为$12\ V$的电路中。下列说法中正确的是
(
B
)

A.灯泡$ L_1$、$ L_2$均能正常发光
B.灯泡$ L_1$、$ L_2$均不能正常发光,但$ L_2$较亮
C.灯泡$ L_1$、$ L_2$均不能正常发光,但$ L_1$较亮
D.把电源电压提高到$24\ V$,灯泡$ L_1$、$ L_2$都能正常发光
答案:4. B
解析:
由$P=UI$得,$I_1=\frac{P_1}{U_1}=\frac{12\ W}{12\ V}=1\ A$,$I_2=\frac{P_2}{U_2}=\frac{6\ W}{12\ V}=0.5\ A$。
由$I=\frac{U}{R}$得,$R_1=\frac{U_1}{I_1}=\frac{12\ V}{1\ A}=12\ \Omega$,$R_2=\frac{U_2}{I_2}=\frac{12\ V}{0.5\ A}=24\ \Omega$。
串联总电阻$R=R_1+R_2=12\ \Omega + 24\ \Omega=36\ \Omega$,电路电流$I=\frac{U}{R}=\frac{12\ V}{36\ \Omega}=\frac{1}{3}\ A\approx0.33\ A$。
因$I < I_1$且$I < I_2$,两灯均不能正常发光。
$P_1'=I^2R_1=(\frac{1}{3}\ A)^2×12\ \Omega=\frac{4}{3}\ W\approx1.33\ W$,$P_2'=I^2R_2=(\frac{1}{3}\ A)^2×24\ \Omega=\frac{8}{3}\ W\approx2.67\ W$。
因$P_2' > P_1'$,$L_2$较亮。
电源电压24 V时,$I=\frac{24\ V}{36\ \Omega}=\frac{2}{3}\ A\approx0.67\ A\neq I_1$且$\neq I_2$,不能正常发光。
B
5. 甲灯泡的规格为“$10\ V\ 5\ W$”,乙灯泡的规格为“$6\ V\ 1.8\ W$”。将它们串联在电路中,两者均能发光。它们实际功率(不考虑温度对电阻的影响)的大小情况是
(
C
)

A.甲灯泡大些
B.乙灯泡大些
C.两灯泡一样大
D.无法判断
答案:5. C
解析:
甲灯泡电阻:$R_{甲}=\frac{U_{甲}^{2}}{P_{甲}}=\frac{(10\ V)^{2}}{5\ W}=20\ \Omega$
乙灯泡电阻:$R_{乙}=\frac{U_{乙}^{2}}{P_{乙}}=\frac{(6\ V)^{2}}{1.8\ W}=20\ \Omega$
串联电路电流相等,$I_{甲}=I_{乙}=I$
甲实际功率:$P_{甲实}=I^{2}R_{甲}$
乙实际功率:$P_{乙实}=I^{2}R_{乙}$
因$R_{甲}=R_{乙}$,故$P_{甲实}=P_{乙实}$
C
上一页 下一页