1. 填一填。
(1)画两条互相垂直的直线,可以用(
三角板
)画,也可以用(
量角器
)画。
答案:1. (1)三角板 量角器
[提示]画两条互相垂直的直线,可以用三角板画,也可以用量角器画。
(2)工人在砌墙时用铅锤来检验墙与地面是否(
垂直
)。
答案:(2)垂直 [提示]铅锤是利用重物静止时,线总是竖直下垂的原理制造的仪器,与它的线平行的直线或面都是竖直的,与它的线垂直的直线或面都是水平的,因此工人在砌墙时用铅锤是为了检验墙与地面是否垂直。
2. 画一画。
(1)过点 $ P $ 画直线 $ m $ 的垂线。

答案:2. (1)
[提示]画图时要仔细,注意画垂线时要标出垂直符号。
(2)分别过点 $ A $、点 $ B $ 画直线 $ n $ 的垂线。

答案:(2)
[提示]分别过点A、点B画直线n的垂线,并标上垂直符号。
3. 实验班原创 几何直观 某公园在广场和秀园路之间修了 $ A $、$ B $ 两条路,但人们却在草坪中走出了 $ C $ 这样一条路。你能利用所学知识解释产生这一现象的原因吗?如果你是草坪管理员,你会给公园设计师提什么建议?

答案:3. 从直线外一点到已知直线所画的所有线段中,垂直线段最短。建议:再沿C处修一条路。
[提示]答案不唯一,合理即可。
4. 一只老虎追赶一只狐狸,狐狸掉进河里的点 $ A $ 处,狐狸要想尽快上岸,还不被老虎抓住,它应该选择怎样的路线?请你在图上画一画。

答案:4.
[提示]狐狸要想不被老虎抓住,就不能逃向老虎所在的岸边,应垂直向对岸逃。从直线外一点到已知直线所画的所有线段中,垂直线段最短。
5. 过点 $ P $ 分别向三角形的三条边作垂线。

答案:5.
[提示]画图时要仔细,注意画垂线时要标出垂直符号。
6. 新情境 乡村建设 聚焦乡村建设,打造美丽宜居新典范。在“美丽乡村建设”活动中,为了保证家家户户都通上自来水,大街的两边设置了自来水管道,小小、红红、笑笑家分别住在大街两边新建的房子里,每家的水管怎样接最合适?请在图上画出来。

答案:6.
[提示]从直线外一点到已知直线所画的所有线段中,垂直线段最短。
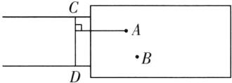
7. 下图是小玲跳远后的示意图。线段 $ CD $ 是起跳线,点 $ A $ 是左脚的落点,点 $ B $ 是右脚的落点。如果用尺子量小玲跳远的成绩,那么尺子应该怎么放?请画出示意图。

答案:7.
[提示]由题意可知,跳远比赛是测量两脚的落点中,离起跳线最近的一点到起跳线的距离,因此过点A向线段CD作垂直线段即可。
易错警示 跳远问题
跳远距离是两脚的落点中,离起跳线最近的一点到起跳线的距离。