1. (2025·河北·2分)古琴是我国的一种传统弦乐器.下列说法正确的是 (
A
)
A.琴声是由弦的振动产生的
B.琴声可以在真空中传播
C.被拨动的琴弦越粗,音调越高
D.拨动琴弦的力度越大,响度越小
答案:1.A
2. 亮点原创·(2分)南京北站是国家“八纵八横”高铁网中沿江大通道的重要节点,目前正处于火热建设阶段.在施工现场,大型挖掘机、打夯机、货车等同时作业,有序施工.下列对有关现象的解释错误的是 (
A
)
A.施工现场,灰尘弥漫,是分子无规则运动的结果
B.大型挖掘机履带宽大,是为了减小对地面的压强
C.打夯机夯锤的质量很大,通常采用密度较大的材料制作
D.货车匀速直线运动过程中,受到平衡力的作用
答案:2.A
3. 新趋势
情境素材 (2分)2025年4月24日,搭载神舟二十号载人飞船的长征二号F遥二十运载火箭在酒泉卫星发射中心点火发射.下列说法正确的是 (
C
)
A.火箭加速升空的过程中,能量转化与汽油机的压缩冲程的能量转化相同
B.火箭与大气剧烈摩擦,通过热传递的方式使得火箭表面温度急剧升高
C.燃料燃烧产生的内能转化为火箭的机械能
D.随着火箭燃料液态氢给火箭提供动力,液态氢逐渐减少,其热值也逐渐减小
答案:3.C
4. (2025·河南开封一模·2分)如图甲所示是公共场所的宣传投影灯,装在高处的投影灯照在地面上出现图案,其内部结构如图乙所示.下列说法正确的是 (
D
)

A.地面上看到的是放大的虚像
B.缩短镜头与图片的距离时,图案变小
C.该投影灯的成像原理与照相机相同
D.在不同方向上都能看到图案是光在地面发生了漫反射
答案:4.D
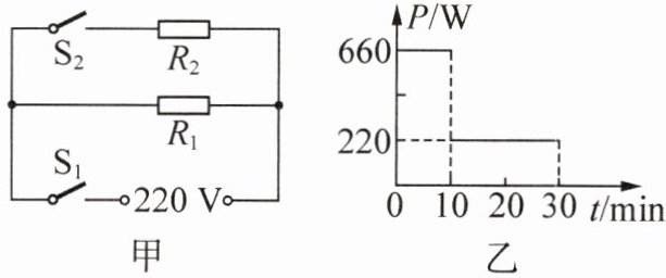
5. (2025·四川绵阳模拟·2分)在综合实践活动中,小明设计了一种电热饮水机电路,如图甲所示,$R_{1}$和$R_{2}$均为电热丝,$S_{2}$是自动控制开关,可实现“低挡”“高挡”之间的转换,饮水机工作时功率与时间的关系图像如图乙所示.下列说法正确的是 (
D
)

A.30 min内电路消耗的总电能为$3.96×10^{5}$J
B.饮水机工作时,通过电阻$R_{1}$的电流为4A
C.电阻$R_{1}$的阻值为200Ω
D.电阻$R_{2}$的阻值为110Ω
答案:5.D 解析:由图乙可知,饮水机高挡功率$P_{高}=660\mathrm{ W}$,高挡工作时间$t_1 = 10\mathrm{ min}=600\mathrm{ s}$,低挡功率$P_{低}=220\mathrm{ W}$,低挡工作时间$t_2 = 20\mathrm{ min}=1200\mathrm{ s}$,则$30\mathrm{ min}$内电路消耗的总电能$W = W_1 + W_2 = P_{高}t_1 + P_{低}t_2 = 660\mathrm{ W}×600\mathrm{ s}+220\mathrm{ W}×1200\mathrm{ s}=6.6×10^{5}\mathrm{ J}$,故A错误;由图甲可知,当$S_1$、$S_2$都闭合时,$R_1$、$R_2$并联,此时电路的总电阻最小,由$P=\frac{U^{2}}{R}$可知,电路的总功率最大,饮水机处于高挡,当只闭合$S_1$时,只有$R_1$工作,电路的总电阻最大,总功率最小,饮水机处于低挡,由$P = UI$可得,饮水机工作时,通过电阻$R_1$的电流$I_1=\frac{P_{低}}{U}=\frac{220\mathrm{ W}}{220\mathrm{ V}} = 1\mathrm{ A}$,故B错误;由欧姆定律可得,$R_1$的阻值$R_1=\frac{U}{I_1}=\frac{220\mathrm{ V}}{1\mathrm{ A}}=220\Omega$,故C错误;饮水机高挡工作时$R_2$的功率$P_2 = P_{高}-P_{低}=660\mathrm{ W}-220\mathrm{ W}=440\mathrm{ W}$,由$P=\frac{U^{2}}{R}$可得,$R_2$的阻值$R_2=\frac{U^{2}}{P_2}=\frac{(220\mathrm{ V})^{2}}{440\mathrm{ W}}=110\Omega$,故D正确。