1. (2025·四川眉山·2 分)关于信息、能源和材料,下列说法正确的是(
C
)
A.手机利用超声波传递信息
B.新能源汽车使用的是核能
C.气凝胶的密度很小,可应用于航空航天等领域
D.煤炭和石油都属于可再生能源,可以随意开采
答案:1.C
2. (2025·陕西·2 分)为了市民电动车的充电安全,很多地方都配备了安全充电站,如图所示.关于充电站和电动车的安全充电,下列做法符合安全用电原则的是(
D
)

A.充电站插座的外壳用导体制成
B.充电过程中起火时立即用水浇灭
C.将电动车的电池拆下后带回家充电
D.充电结束后自动切断电源
答案:2.D
3. (2 分)如图所示,在$a$、$b$之间分别接入不同装置,则(
C
)

A.接电源,可作发电机的模型
B.接电流表,可作电动机的模型
C.接小灯泡,左右摆动直导线,可将机械能转化为电能
D.接电压表,竖直上下移动直导线,电压表指针一定偏转
答案:3.C
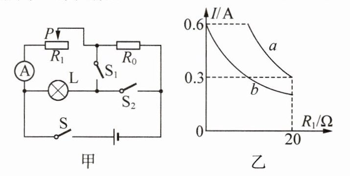
4. (2025·江苏南京一模·3 分)图甲中$R_{0}$为定值电阻,电源电压恒定. 滑动变阻器$R_{1}$标有“$20\ \Omega$ $1\ \mathrm{A}$”字样,电流表量程为$0∼ 0.6\ \mathrm{A}$,灯泡$\mathrm{L}$的额定电流是$0.5\ \mathrm{A}$. 闭合开关$\mathrm{S}$,当开关$\mathrm{S}_{1}$、$\mathrm{S}_{2}$都断开或都闭合两种情况中,移动滑片$P$(所有元件都安全)得到了两次电流表示数与$R_{1}$阻值变化关系的图像(如图乙),灯泡在工作时正常发光. 下列说法中正确的是(
B
)

A.图线$a$对应$\mathrm{S}_{1}$、$\mathrm{S}_{2}$都断开的情况
B.电流表的最小示数为$0.2\ \mathrm{A}$
C.灯泡$\mathrm{L}$的额定功率为$6\ \mathrm{W}$
D.该电路的最大功率为$3.6\ \mathrm{W}$
答案:4.B 解析:闭合开关S,当开关S₁、S₂都断开时,R₀与R₁串联,电流表测电路中的电流,当开关S₁、S₂都闭合时,L与R₁并联,电流表测通过R₁的电流,当R₁连入电路的电阻都为20Ω时,由欧姆定律和串联电路的电阻规律可知,R₁、L并联时电流表的示数大于R₁、R₀串联时电流表的示数,故图线a对应S₁、S₂都闭合的情况,图线b对应S₁、S₂都断开的情况,故A错误;当开关S₁、S₂都闭合时,L与R₁并联,由图乙可知,R₁=20Ω时,I₁=0.3A,则电源电压U=I₁R₁=0.3A×20Ω=6V,灯泡在工作时正常发光,则灯泡L的额定电压为6V,则灯泡L的额定功率Pₜ=UₜIₜ=6V×0.5A=3W,故C错误;当开关S₁、S₂都断开时,R₀与R₁串联,由图乙可知,R₁=0Ω时,I=0.6A,由欧姆定律可得R₀=$\frac{U}{I}$=$\frac{6V}{0.6A}$=10Ω,当R₁的最大阻值连入电路时,电路的总电阻最大,此时电路中的电流最小为I₍小₎=$\frac{U}{R₀+R₁}$=$\frac{6V}{10Ω+20Ω}$=0.2A,即电流表的最小示数为0.2A,故B正确;当开关S₁、S₂都闭合时,L与R₁并联,R₁支路的最大电流为0.6A,由并联电路的电流规律可得,干路的最大电流I₍总₎=Iₜ+I₁=0.5A+0.6A=1.1A,电路的最大功率P₍max₎=UI₍总₎=6V×1.1A=6.6W,故D错误.
5. (2025·广东佛山一模·3 分)家庭中的电视机、空调等用电器通过
并
联的方式连接在电路中;电热水壶利用电流的
热
效应工作;一般不同时使用多个大功率用电器,是为了避免因
电流
(选填“电流”或“电压”)过大带来危险.
答案:5.并 热 电流