7. 小颖拿出电加热眼罩缓解眼部疲劳,该电加热眼罩额定充电电压为 $ 6\ \mathrm{V} $,电池容量为 $ 2400\ \mathrm{mA}·\mathrm{h} $,标有“输出 $ 6\ \mathrm{V}\ \ 4\ \mathrm{A} $”字样的快速充电器的充电效率为 $ 90\% $,则该眼罩的电池从零电量充满需要(
D
)
A.$ 10\ \mathrm{min} $
B.$ 20\ \mathrm{min} $
C.$ 30\ \mathrm{min} $
D.$ 40\ \mathrm{min} $
答案:7 D
解析:
电池容量 $ Q = 2400\ \mathrm{mA·h} = 2.4\ \mathrm{A·h} $
充电器输出电流 $ I = 4\ \mathrm{A} $,充电效率 $ \eta = 90\% = 0.9 $
实际充电电流 $ I_{\mathrm{实}} = I × \eta = 4\ \mathrm{A} × 0.9 = 3.6\ \mathrm{A} $
充电时间 $ t = \frac{Q}{I_{\mathrm{实}}} = \frac{2.4\ \mathrm{A·h}}{3.6\ \mathrm{A}} = \frac{2}{3}\ \mathrm{h} = \frac{2}{3} × 60\ \mathrm{min} = 40\ \mathrm{min} $
D
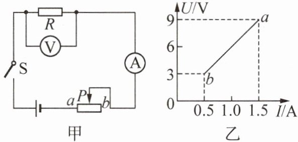
8. (2025·山东济宁模拟)如图甲所示的电路中,电源电压不变,闭合开关后,滑片 $ P $ 由 $ b $ 端移动到 $ a $ 端,电压表示数 $ U $ 与电流表示数 $ I $ 的变化关系如图乙所示. 下列说法错误的是(
B
)

A.电源电压为 $ 9\ \mathrm{V} $
B.滑片 $ P $ 在 $ b $ 端时,$ 1\ \mathrm{min} $ 内电流通过电阻 $ R $ 做功为 $ 900\ \mathrm{J} $
C.滑动变阻器的最大阻值为 $ 12\ \Omega $
D.定值电阻的阻值为 $ 6\ \Omega $
答案:8 B 解析:由图甲可知,当滑片P在a端时,电路为定值电阻的简单电路,电路的总电阻最小,由$I=\frac{U}{R}$可知,电路中电流最大,电压表测电源电压,由图乙可知,此时电路中的电流为1.5A,电源电压为9V,定值电阻的阻值$R=\frac{U}{I}=\frac{9V}{1.5A}=6\Omega,$故A、D正确;当滑片P在b端时,定值电阻与滑动变阻器串联,且滑动变阻器接入电路的阻值最大,由$I=\frac{U}{R}$可知,电路中电流最小,由图乙可知,此时电路中电流为0.5A,定值电阻两端电压为3V,滑动变阻器两端电压$U_{P}=U-U_{R}=9V-3V=6V,$滑动变阻器的最大阻值$R_{P}=\frac{U_{P}}{I'}=\frac{6V}{0.5A}=12\Omega,$滑片P在b端时,通电1min电流通过电阻R做的功$W=U_{R}I't=3V×0.5A×60s=90J,$故B错误、C正确.
9. 亮点原创· 小华发现家中电能表上标有“$ 3600\ \mathrm{r}/(\mathrm{kW}·\mathrm{h}) $”的字样,他想验证表盘上标注的每千瓦时的转数是否准确,于是,他将标有“$ 220\ \mathrm{V}\ \ 3\ \mathrm{A} $”的电吹风单独接入电路. 该电吹风正常工作 $ 5\ \mathrm{min} $ 消耗的电能是
$1.98×10^{5}$
J,电能表的转盘正好转了 $ 220\ \mathrm{r} $,则该电能表每千瓦时的实际转数是
4000
r. 用该电能表计算电费,小华家将
多
(选填“多”或“少”)付费.
答案:$9 1.98×10^{5} 4000 $多
10. 如图所示电路中,电阻 $ R_0 = 12\ \Omega $,闭合开关 $ S_1 $,将单刀双掷开关 $ S_2 $ 掷于 $ a $ 端,电压表示数为 $ 2.5\ \mathrm{V} $;将 $ S_2 $ 切换到 $ b $ 端,电压表示数为 $ 1.5\ \mathrm{V} $. 则电源电压为
2.5
V,电阻 $ R_x $ 的阻值为
8
$\Omega$,通电 $ 1\ \mathrm{min} $ 电流对 $ R_x $ 做功为
7.5
J.
答案:10 2.5 8 7.5
解析:
解:当$S_2$掷于$a$端时,电压表测电源电压,故电源电压$U = 2.5\ \mathrm{V}$。
当$S_2$切换到$b$端时,$R_0$与$R_x$串联,电压表测$R_0$两端电压$U_0 = 1.5\ \mathrm{V}$。
电路中电流$I=\frac{U_0}{R_0}=\frac{1.5\ \mathrm{V}}{12\ \Omega}=0.125\ \mathrm{A}$。
$R_x$两端电压$U_x=U - U_0=2.5\ \mathrm{V}-1.5\ \mathrm{V}=1\ \mathrm{V}$。
$R_x=\frac{U_x}{I}=\frac{1\ \mathrm{V}}{0.125\ \mathrm{A}}=8\ \Omega$。
通电$1\ \mathrm{min}=60\ \mathrm{s}$,电流对$R_x$做功$W=U_xIt=1\ \mathrm{V}×0.125\ \mathrm{A}×60\ \mathrm{s}=7.5\ \mathrm{J}$。
2.5;8;7.5
11. 如图所示,电源电压恒定为 $ 12\ \mathrm{V} $,小灯泡 $ \mathrm{L} $ 的阻值为 $ 10\ \Omega $(忽略温度对电阻的影响),$ R_0 $ 的阻值为 $ 20\ \Omega $,滑动变阻器 $ R $ 的最大阻值为 $ 50\ \Omega $. 若闭合开关 $ S $、$ S_1 $、$ S_2 $,则通过 $ R_0 $ 的电流为
0.6
A;若只闭合开关 $ S $,当滑动变阻器连入电路的阻值最大时,电路工作 $ 5\ \mathrm{min} $ 消耗的电能为
720
J.

答案:11 0.6 720 解析:闭合开关S、$S_{1}、$$S_{2},$$R_{0}$和R并联,由欧姆定律可得,通过$R_{0}$的电流$I_{0}=\frac{U}{R_{0}}=\frac{12V}{20\Omega}=0.6A;$只闭合开关S,R和L串联,当滑动变阻器连入电路的阻值最大时,电路中的电流$I=\frac{U}{R+R_{L}}=\frac{12V}{50\Omega+10\Omega}=0.2A,$电路工作5min消耗的电能W=UIt=12V×0.2A×5×60s=720J.
解析:
解:
1. 闭合开关$S$、$S_1$、$S_2$时,$R_0$与$R$并联,电源电压$U = 12\ \mathrm{V}$,通过$R_0$的电流$I_0=\frac{U}{R_0}=\frac{12\ \mathrm{V}}{20\ \Omega}=0.6\ \mathrm{A}$。
2. 只闭合开关$S$时,$L$与$R$串联,滑动变阻器连入最大阻值$R = 50\ \Omega$,电路总电阻$R_{\mathrm{总}}=R_L + R=10\ \Omega + 50\ \Omega=60\ \Omega$,电路电流$I=\frac{U}{R_{\mathrm{总}}}=\frac{12\ \mathrm{V}}{60\ \Omega}=0.2\ \mathrm{A}$,工作时间$t = 5\ \mathrm{min}=300\ \mathrm{s}$,消耗电能$W=UIt=12\ \mathrm{V}×0.2\ \mathrm{A}×300\ \mathrm{s}=720\ \mathrm{J}$。
0.6;720
12. 如图甲为某商场安装的扶梯自动计数器简化电路图. 已知电源电压 $ U = 12\ \mathrm{V} $,$ R_1 $ 为光敏电阻,$ R_2 = 20\ \Omega $. 当有光照射时 $ R_1 = 20\ \Omega $;当扶梯上有顾客经过,挡住射向 $ R_1 $ 的光线时,$ R_1 $ 的阻值增大,计数器就计数一次. 图乙为某段时间内 $ R_1 $ 两端的电压 $ U_{ab} $ 随时间 $ t $ 变化的图像. 求:

(1)当有光照射时,电路中的电流.
(2)当扶梯上有顾客经过时,$ R_2 $ 两端的电压.
(3)$ 0∼ 2.4\ \mathrm{s} $ 时间内电路消耗的电能.
答案:12 (1)0.3A (2)2V (3)7.68J 解析:(1)当有光照射时,电路中的电流$I=\frac{U}{R_{1}+R_{2}}=\frac{12V}{20\Omega+20\Omega}=0.3A.(2)$当扶梯上有顾客经过,挡住射向$R_{1}$的光线时,$R_{1}$的阻值增大,由串联分压可知,$R_{1}$两端的电压增大,由图乙可知,此时$R_{1}$两端的电压$U_{1}=$
$10V,R_{2}$两端的电压$U_{2}=U-U_{1}=12V-10V=2V,$电路中的电流$I'=\frac{U_{2}}{R_{2}}=\frac{2V}{20\Omega}=0.1A.(3)0~2.4s$时间内电路消耗的电能$W=UIt_{1}+UI't_{2}=12V×0.3A×2s+12V×0.1A×0.4s=7.68J.$