5. (2025·云南文山期末)利用如图甲所示的电路图测量“小灯泡的电功率”,小灯泡标有2V字样,电源电压恒为3V,如图乙所示是根据实验数据绘制的U-I图像,下列有关说法错误的是(
D
)

A.该实验的原理是P=UI
B.小灯泡正常发光时的电功率为0.6W
C.电压为3.0V时,灯泡的亮度比正常发光时亮
D.利用该电路图可以进行“电流与电压关系”的实验探究
答案:5.D
解析:
解:
A. 测量电功率的实验原理是 $P=UI$,A正确。
B. 小灯泡标有“2V”字样,由图乙知,当 $U=2V$ 时,$I=0.3A$,则 $P=UI=2V×0.3A=0.6W$,B正确。
C. 电压为3.0V时,大于额定电压2V,实际功率大于额定功率,灯泡比正常发光时亮,C正确。
D. 探究“电流与电压关系”需控制电阻不变,而灯泡电阻随温度变化,该电路图不能进行此实验,D错误。
答案:D
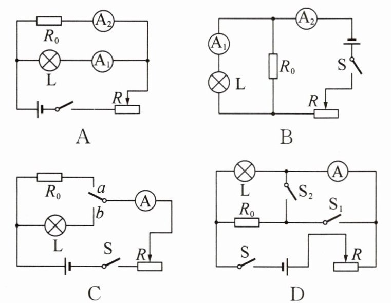
6. 在电源电压恒定、R₀阻值已知的情况下,只用电流表测量额定电流为Iₙ的小灯泡的电功率,下列图示电路不能得到小灯泡额定功率的是(
C
)

]
答案:6.C 解析:图A中,$R_{0}$与L并联后与R串联,电流表$A_{1}$测量通过L的电流$I_{1}$,电流表$A_{2}$测量通过$R_{0}$的电流$I_{2}$,移动滑动变阻器滑片,使电流表$A_{1}$的示数$I_{1}$等于小灯泡的额定电流,由欧姆定律及并联电路的电压规律可知,小灯泡的额定电压为$(I_{2}-I_{1})R_{0}$,可求得小灯泡的额定功率为$I_{1}(I_{2}-I_{1})R_{0}$,故A不符合题意;
图B中,$R_{0}$与L并联后与R串联,电流表$A_{1}$测量通过L的电流$I_{1}$,电流表$A_{2}$测量干路电流$I_{2}$,移动滑动变阻器滑片,使电流表$A_{1}$的示数$I_{1}$等于小灯泡的额定电流,由欧姆定律及并联电路的规律可知,小灯泡的额定电压为$(I_{2}-I_{1})R_{0}$,可求得小灯泡的额定功率为$I_{1}(I_{2}-I_{1})R_{0}$,故B不符合题意;图C中,将单刀双掷开关拨至a时,$R_{0}$与R串联接入电路,电流表测电路电流,将单刀双掷开关拨至b时,L与R串联接入电路,电流表测电路电流,无法求出小灯泡的额定电压,故C符合题意;图D中,只闭合开关$S、S_{1}$时,$R_{0}$与L并联后与R串联,电流表A测量通过L的电流$I_{1}$,移动滑动变阻器滑片,使电流表A的示数$I_{1}$等于小灯泡的额定电流,保持滑片位置不变,只闭合开关$S、S_{2}$时,电路仍为$R_{0}$与L并联后与R串联的电路,电流表A测量干路电流$I_{2}$,由欧姆定律及并联电路的规律可知,小灯泡的额定电压为$(I_{2}-I_{1})R_{0}$,可求得小灯泡的额定功率为$I_{1}(I_{2}-I_{1})R_{0}$,故D不符合题意。
7. (2025·重庆一模)在测量灯泡功率的实验中,已知灯泡L的额定电压为5V(不考虑灯泡L的电阻变化),将它与滑动变阻器R接入电源电压恒定的电路中,如图所示. 闭合开关S,滑动变阻器滑片位于中点时灯泡正常发光,此时灯泡的电功率为P₁,电压表的示数为U₁;当滑动变阻器滑片位于最左端时灯泡L的实际电功率为P₂,电压表的示数为U₂,滑动变阻器的功率为7.2W. 已知P₁∶P₂=25∶9,则U₁∶U₂=
5:3
,灯泡L的额定功率为
5
W.

]
答案:7.5:3;5 解析:由题意可知,滑片在中点(灯泡正常发光)时,灯泡两端电压$U_{1}=5V$,滑动变阻器接入电路的电阻为$\frac{R}{2}$,其两端电压为$U - 5V$,电路中的电流$I_{1}=\frac{U_{1}}{R_{L}}=\frac{5V}{R_{L}}=\frac{U - 5V}{\frac{R}{2}}$,解得$\frac{R}{R_{L}}=\frac{2(U - 5V)}{5V}$ ①。
灯泡的功率$P_{1}=\frac{U_{1}^{2}}{R_{L}}=\frac{(5V)^{2}}{R_{L}}$;滑片在最左端时滑动变阻器接入电路的电阻为R,设此时灯泡两端电压为$U_{2}$,则电路中的电流$I_{2}=\frac{U_{2}}{R_{L}}$,电源电压$U = U_{2}+I_{2}R = U_{2}+\frac{U_{2}}{R_{L}}R = U_{2}×(1+\frac{R}{R_{L}})$ ②,联立①②,解得$U_{2}=\frac{5U}{2U - 5V}$ ③,灯泡的功率$P_{2}=\frac{U_{2}^{2}}{R_{L}}$,则$\frac{P_{1}}{P_{2}}=\frac{\frac{(5V)^{2}}{R_{L}}}{\frac{U_{2}^{2}}{R_{L}}}=\frac{(5V)^{2}}{U_{2}^{2}}=\frac{25}{9}$,解得$U_{2}=3V$,所以$\frac{U_{1}}{U_{2}}=\frac{5V}{3V}=\frac{5}{3}$。将$U_{2}=3V$代入③得$3V=\frac{5U}{2U - 5V}$,解得$U = 15V$。将$U = 15V$代入①得$\frac{R}{R_{L}}=\frac{2×(15V - 5V)}{5V}=4$,则$R = 4R_{L}$。滑片在最左端时,电路中的电流$I_{2}=\frac{U_{2}}{R_{L}}$,滑动变阻器的功率$P_{R}=I_{2}^{2}R = (\frac{U_{2}}{R_{L}})^{2}R = (\frac{3V}{R_{L}})^{2}×4R_{L}=7.2W$,解得$R_{L}=5\Omega$,灯泡L的额定功率$P_{1}=\frac{U_{1}^{2}}{R_{L}}=\frac{(5V)^{2}}{5\Omega}=5W$。
8. (2025·广东广州一模)有一只小灯泡的铭牌上仅能看清“0.3A”的字样,为了测量该小灯泡的额定功率,进行了如下实验:


(1) 请用笔画线代替导线,将图甲中未连接完整的电路补画完整,要求滑动变阻器向右调节滑片时阻值变小.
(2) 连接完整电路后,闭合开关,移动滑动变阻器的滑片,发现小灯泡不亮,电流表的示数始终为零,电压表的示数接近3V且保持不变,出现的故障可能是
B
(填字母).
A. 小灯泡短路
B. 小灯泡的灯座接触不良
C. 电流表处断路
D. 电压表的正、负接线柱接反了
(3) 排除故障后,正确连接电路,移动滑动变阻器的滑片使小灯泡正常发光,电压表示数如图乙所示为
2.4
V,小灯泡的额定功率为
0.72
W.
(4) 利用如图丙所示的电路,测出了另一只已知额定电流为I₁的小灯泡的额定功率,请完成实验步骤:
① 闭合开关S₁,开关S₂接b,移动变阻器的滑片,使电流表示数为
$I_{1}$
;
② 再将开关S₂接a,滑动变阻器滑片的位置
不动
(选填“左移”“右移”或“不动”),调节电阻箱的阻值,使电流表示数为I₁,读出电阻箱的示数为R₀;
③ 则小灯泡的额定功率表达式为P=
$I_{1}^{2}R_{0}$
(用字母表示).
]
答案:8.(1)如图所示 (2)B (3)2.4 0.72 (4)①$I_{1}$ ②不动 ③$I_{1}^{2}R_{0}$
解析:(2)闭合开关后移动滑动变阻器的滑片,发现小灯泡不亮,电流表的示数始终为零,说明电路可能断路;电压表的示数接近3V且保持不变,说明电压表与电源连通,电压表串联在电路中,则与电压表并联的电路断路了,即出现的故障可能是小灯泡的灯座接触不良,故选B。(3)排除故障后,正确连接电路,使小灯泡正常发光,电压表示数如图乙所示,电压表选用小量程,其示数为2.4V,则小灯泡的额定功率$P_{L}=U_{L}I_{L}=2.4V×0.3A = 0.72W$。(4)实验步骤:①闭合开关$S_{1}$,开关$S_{2}$接b,移动滑动变阻器的滑片,使电流表示数为$I_{1}$;②再将开关$S_{2}$接a,滑动变阻器滑片的位置不动,调节电阻箱的阻值,使电流表示数为$I_{1}$,读出电阻箱的示数为$R_{0}$;③在步骤①中,灯泡和滑动变阻器串联,电流表测电路中的电流,移动滑动变阻器的滑片,使电流表示数为$I_{1}$,此时灯泡正常发光,在步骤②中,电阻箱与滑动变阻器串联,电流表测电路中的电流,滑动变阻器滑片的位置不动,调节电阻箱的阻值,使电流表示数为$I_{1}$,由等效替代法可知,此时电阻箱的阻值与灯泡正常发光时的电阻相等,即$R_{L}=R_{0}$,则小灯泡的额定功率$P = I_{1}^{2}R_{L}=I_{1}^{2}R_{0}$。