1. 地球周围存在的磁场叫作
地磁场
,它的南极在地球的
北极附近
,它的磁感线方向是从地球的
南
方指向
北
方。
答案:1.地磁场 北极附近 南 北
2. 如图所示,当开关S闭合时,通电螺线管的A 端为
N
极,当滑动变器滑片P向右移动时,通电螺线管的磁性将
增强
。

答案:2.N 增强
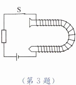
3. 小明把一根铁钉弯成U 形,绕上漆包线做成了一个电磁铁,如图所示。根据电流方向可判断,铁钉尖端为
N
极。要想改变铁钉尖端的极性,可以
将电源正负极对调(或改变线圈的缠绕方向)
。

答案:3.N 将电源正负极对调(或改变线圈的缠绕方向)
4. 如图所示是公共汽车上用电磁阀控制车门开关的工作示意图。$ L_1$、$ L_2$是固定的电磁线圈。S 是单刀双掷开关。衔铁 $ T_1$、$ T_2$通过横杆相连并可左右移动,带动传动装置使车门开启或关闭。当 S接通触点$b$时,线圈
L₂
($ L_1/ L_2$)具有磁性,吸引衔铁使横杆向
右
(左/右)运动,带动传动装置关闭车门。要使车门打开,开关 S 应接通触点
a
($a/b$)。

答案:4.L₂ 右 a
5. 如图所示是一种安装在自行车上的照明灯,这种灯不使用化学电池,而是通过车轮的转动来带动小型交流发电机发电使灯泡发光的。发电机的工作原理是
电磁感应
,发电机工作时发生的能量转化是
机械能转化为电能
。

答案:5.电磁感应 机械能转化为电能
6. 钢棒 $A$ 端的 $A$ 端与小磁针 $N$ 极相吸引,$B$ 端与小磁针 $S$ 极相吸引,则(
D
)。
A.钢棒一定有磁性,且 $A$ 端是 $S$ 极
B.钢棒一定有磁性,且 $B$ 端是 $S$ 极
C.钢棒一定没有磁性
D.钢棒可能有磁性,也可能没有磁性
答案:6.D
解析:
情况一:钢棒有磁性。若A端为S极,则A端与小磁针N极相吸;B端为N极,B端与小磁针S极相吸,符合题意。
情况二:钢棒无磁性。钢棒为软磁体,小磁针N极可吸引钢棒A端,小磁针S极可吸引钢棒B端,符合题意。
结论:钢棒可能有磁性,也可能没有磁性。
D