搜 索
首 页
练习与测试答案
补充习题答案
课课练答案
同步练习答案
阅读答案
电子课本
更多
其他答案
课件下载
试卷练习
教学反思
说课稿
录音下载
教案下载
作文范例
简笔画下载
教学视频
语文知识
班主任资料
教材
其他资料
零五网
›
全部参考答案
›
同步练习答案
›
2026年同步练习江苏九年级物理下册苏科版 第41页解析答案
1. 如图 16-9-1 所示,磁铁吸住两根铁钉的一端,那么这两根铁钉的另一端将
相互排斥
,如图
(b)
所示。
答案:
1.相互排斥 (b)
2. 如图 16-9-2 所示,闭合开关 S,导体棒 AB 水平向左运动。若同时对调电源与磁体的磁极,再次闭合开关 S 时,则导体棒 AB 的运动方向是
向左
。
答案:
2.向左
3. 下列关于磁感线的说法中正确的是(
D
)。
A.磁感线是由小铁屑形成的
B.磁场中有许多曲线,这些曲线叫作磁感线
C.小磁针在磁感线上才受力,在两条磁感线之间不受力
D.磁感线是人们为了形象地描述磁场的分布而假想出来的,实际并不存在
答案:
3.D
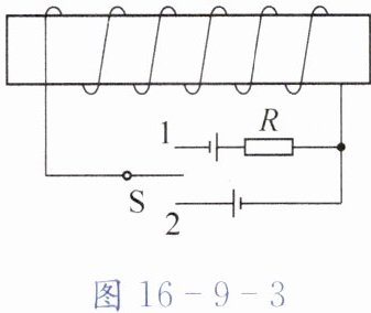
4. 如图 16-9-3 所示,电路中两个电池的规格相同,下列判断中正确的是(
B
)。
A.开关 S 接 1 时,螺线管左端为 N 极,磁场较弱
B.开关 S 接 2 时,螺线管左端为 N 极,磁场较强
C.开关 S 接 1 时,螺线管左端为 S 极,磁场较强
D.开关 S 接 2 时,螺线管左端为 S 极,磁场较弱
答案:
4.B
解析:
展开
解:
开关接1时,电路有电阻R,电流较小;接2时,电路无电阻R,电流较大,磁场较强。
电流方向:无论接1或2,电流从螺线管右端流入、左端流出。
安培定则:右手握住螺线管,四指指向电流方向,大拇指指向左端,故左端为N极。
结论:开关接2时,左端N极,磁场较强。
B
5. 闭合电路中的一部分导体在磁场中运动,图中“〇”表示导体的横截面,箭头表示导体的运动方向,下列选项中不能产生感应电流的是(
B
)。
答案:
5.B
解析:
展开
根据电磁感应原理,闭合电路的一部分导体在磁场中做切割磁感线运动时,导体中会产生感应电流。图中磁场方向为由N极指向S极(竖直向下)。
A、C、D选项中,导体运动方向均不平行于磁感线方向,能切割磁感线,可产生感应电流;
B选项中,导体运动方向竖直向下,与磁感线方向平行,未切割磁感线,不能产生感应电流。
B
上一页
下一页