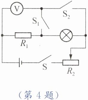
4. 如图所示电路,电源电压恒定,$R_1 = 5\ \Omega$,滑动变阻器$R_2$的规格为“$■\ \Omega\ 0.5\ A$”(铭牌破损,最大阻值未知),灯泡的规格为“$5\ V\ 2.5\ W$”(忽略灯丝电阻的变化),电压表量程为$0\sim3\ V$。只闭合开关$S$,将滑动变阻器$R_2$的滑片移至最左端,灯泡恰好正常发光。在保证各电路元件安全的前提下,下列说法中错误的是(
A
)。

A.电源电压是$5\ V$
B.闭合开关$S$、$S_1$、$S_2$,$R_1$的最大功率为$1.25\ W$
C.通过调节开关的通断和滑动变阻器接入的阻值,使$R_1$的功率最小,且为$0.05\ W$,此时滑动变阻器接入的阻值为$60\ \Omega$
D.闭合开关$S$、$S_2$,断开$S_1$,调节滑动变阻器,通电$10\ s$,整个电路电流最多做功$15\ J$