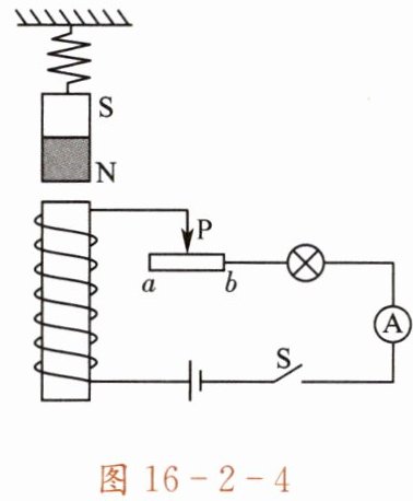
例题1 如图16-2-4所示,在电磁铁的正上方挂着一块条形磁体,开关S闭合后,将滑片P从a端向b端滑动,出现的现象是(
)。

A.电流表的示数变大,弹簧长度变长
B.电流表的示数变大,弹簧长度变短
C.电流表的示数变小,弹簧长度变长
D.电流表的示数变小,弹簧长度变短
解析 本题涉及的知识点较多,是将磁体的磁极间相互作用规律、安培定则、欧姆定律、电磁铁磁性强弱与哪些因素有关、滑动变阻器改变电路中电流的大小等知识加以综合,具有一定的综合性。解答本题的关键是先根据电路中电流的方向,应用安培定则判断出电磁铁两端磁极的极性——上方为S极,下方为N极;再根据磁极间的相互作用规律,推断出条形磁体下端的极性与电磁铁上端的磁极极性相反,即异名磁极相互吸引。由于滑片P从a端向b端滑动时,滑动变阻器接入电路中的电阻变小,根据欧姆定律,在电源电压一定时,电路中的电流增大,因此电流表的示数变大,流过电磁铁的电流增大,导致电磁铁的磁性增强。又因为条形磁体与电磁铁上端的磁极极性相反,故两者间的相互吸引力增大,导致弹簧长度增长。因此,本题的正确答案是A。