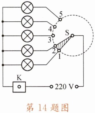
14. 小敏家住某五层公寓楼的四楼,当她在一楼按下楼道灯开关时,五盏规格为“220 V 12 W”的楼道灯全部点亮,并在延时60 s后自动关闭。她正常每登一层楼需要12 s。小敏意识到楼道灯这种工作方式比较浪费电能,于是对楼道电路进行了改进设计,改进后的电路如图所示,K为启动延时开关,S为感应跳转开关。按下K时,S接通触点1、2;当S感知人到二楼时,会跳转至触点2、3;感知人到达三楼,跳转至触点3、4……若跳转20 s后感应不到人,则K断开。

(1) 按照原先楼道灯的工作方式,小敏正常上楼回家一次,楼道灯一共消耗多少电能?
(2) 改进后的方案中,S跳转前后,通过启动延时开关的电流大小
不变
(增大/减小/不变),小敏正常上楼回家一次,比原来节约的电能为
2256 J
。
(3) 想一想:小敏改进后的电路存在什么不合理之处?需要如何改进?
答案:14. (1) 3600 J (2) 不变 2256 J (3) 不合理之处:改进后的电路主要是针对小敏个人从一楼到四楼的情况,依靠感应跳转开关 S 按楼层感应跳转,且启动延时开关 K 是在感应不到人 20 s 后断开。若两个人先后走进楼道,后面的人可能会因为前面的人触发感应后,感应跳转开关 S 已处于后续楼层的触点,导致后面的人所在楼层不能被准确感应,进而可能出现楼道灯不能为后面的人准确照明,或者启动延时开关 K 提前断开,使后面的人处于黑暗中。改进方法:可增加感应装置的数量,让每个楼层附近都有更灵敏的感应部件,能检测到不同时间进入楼道的人;同时调整启动延时开关 K 的工作逻辑,比如从最后一次感应到有人开始计时 20 s 后再断开,这样就能为先后进入楼道的人都提供照明
解析:
(1) 解:小敏从一楼到四楼需要的时间$t_1 = 12\, s/层 × 3\, 层 = 36\, s$,灯亮总时间$t = 60\, s$,总功率$P = 5 × 12\, W = 60\, W$,消耗电能$W = Pt = 60\, W × 60\, s = 3600\, J$。
(2) 不变;2256 J
(3) 不合理之处:多人先后进入楼道时,后续人员可能因S已跳转至高层触点导致所在楼层照明不足或K提前断开。改进方法:增加各楼层独立感应部件,K从最后一次感应到人开始计时20 s后断开。
15. 下表是一组关于人体电阻的数据:

如图所示,用电器R接在电压为220 V的电源上,消耗的电功率是1100 W,电路中还有额定电流为10 A的熔丝。

(1) 只将用电器R接入电路时,通过熔丝的电流是多大?
(2) 一个潮湿的人赤脚站在地面上,手误触了火线,试计算此时通过人体的电流(上表电阻数据适用于人体),并分析此时为什么熔丝不会熔断(即熔丝不能保护人的生命安全)。
答案:15. (1) $I = 5 A$ (2) $I_{人} = 0.147 A$,$I_{总} = I + I_{人} = 5 A + 0.147 A = 5.147 A < 10 A$,所以熔丝不会熔断,不能对人起到保护作用
解析:
(1)已知用电器$R$接在电压$U = 220\ V$的电源上,消耗的电功率$P = 1100\ W$,根据$P=UI$,可得通过用电器$R$的电流$I=\frac{P}{U}=\frac{1100\ W}{220\ V} = 5\ A$,因为熔丝串联在电路中,所以通过熔丝的电流是$5\ A$。
(2)由表中数据可知,潮湿的人赤脚站在地面上时人体电阻$R_{ 人}=1500\ \Omega$,此时人体两端电压$U = 220\ V$,根据$I=\frac{U}{R}$,通过人体的电流$I_{ 人}=\frac{U}{R_{ 人}}=\frac{220\ V}{1500\ \Omega}\approx0.147\ A$。此时电路总电流$I_{ 总}=I + I_{ 人}=5\ A+0.147\ A=5.147\ A$,因为$5.147\ A<10\ A$(熔丝额定电流),所以熔丝不会熔断,不能保护人的生命安全。